IXYS Commandes de grilles de MOSFET IX4341/IX4342
Les commandes de grilles de MOSFET IX4341/IX4342 d'IXYS intègrent deux pilotes indépendants, soit tous deux avec capacité inversé (IX4341), soit un inversé et un non inversé (IX4342). Les commandes de grilles peuvent fournir et rabaisser jusqu'à 5 A de courant crête avec des entrées compatibles CMOS et TTL. La série IX4341/IX4342 proposent des boîtiers à 8 broches thermiquement amélioré MSOP, étroits SOIC ou étroits SOIC standard selon le modèle. Les commandes de grilles de MOSFET IX4341/IX4342 d'IXYS permettent des délais de propagation standard de 16 ns et des temps de montée et de descente standard rapides de 7 ns, ce qui est adapté pour les applications à haute fréquence. Les commandes de grilles sont idéales pour diverses applications, dont les alimentations en mode commutation (SMPS), les convertisseurs CC/CC, les contrôleurs de moteur et les convertisseurs de puissance.Caractéristiques
- Deux pilotes inverseurs indépendants (IX4341)
- Deux pilotes indépendants, un inverseur et un non-inverseur (IX4342)
- Capacité d'amplification et de réduction avec un courant de crête de 5 A
- Entrées compatibles CMOS et TTL
- Boîtiers MSOP à 8 broches et boîtiers étroits SOIC thermiquement améliorés
- Boîtier SOIC étroit à 8 broches standard
- Circuiterie de verrouillage en cas de sous-tension (UVLO)
- Délais de propagation rapides
- Temps de montée et de descente rapides
- Sans plomb (conforme à la directive RoHS)
Applications
- SMPS
- Alimentations électriques CC/CC
- Contrôleurs de moteurs
- Convertisseurs de puissance
Caractéristiques techniques
- Plage de tension d'alimentation de 4,5 VCC à 18 VCC
- Tension d'entrée nominale minimale absolue de -0,3 V
- Tension d'entrée nominale maximale de +0.3 VCC
- Courant de sortie nominal de ±5 A
- Courant d'alimentation nominal max. de 2,5 mA
- Indice ESD de ±2 kV
- Fréquence de commutation maximale de 1 MHz
- Plage de température de jonction de -55 °C à +150 °C
- Plage de température de stockage de -65 °C à +150 °C
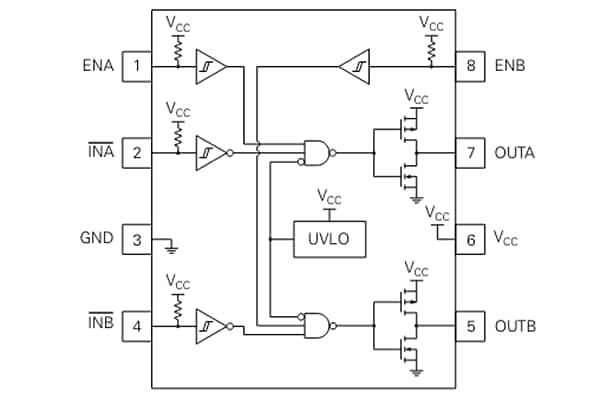
Schéma fonctionnel
Publié le: 2024-05-28
| Mis à jour le: 2024-05-31
