Insight SiP ISP1907 Long Range & Direction Finding Modules
Insight SiP ISP1907 Long Range and Direction Finding Modules are designed to provide large computing capability with an ideal battery life. These BLUETOOTH® modules are available in LL and HT variants. The LL variant modules feature 192kB flash, 24kB SRAM, and 13 configurable GPIOs, including three ADCs. The HT variant modules provide 512kB flash, 128kB SRAM, and 30 configurable GPIOs, including eight ADCs. The ISP1907 modules operate at a 1.7V to 3.6V voltage range and provide pin compatibility with iSP15, 18, and 19 BLE modules. Insight SiP ISP1907 Long Range and Direction Finding Modules are used in applications such as IoT applications, wearable technology, home automation, and beacons.Features
- Bluetooth 5.1 long-range direction-finding
- 32-bit Arm® Cortex® M4 CPU
- Fully integrated RF matching and antenna
- DC/DC converter, including inductor
- 1.7V to 3.6V operating voltage range
- Embedded 32MHz radio stability and 32kHz synchronization
- Pin compatibility with iSP15, 18, and 19 series
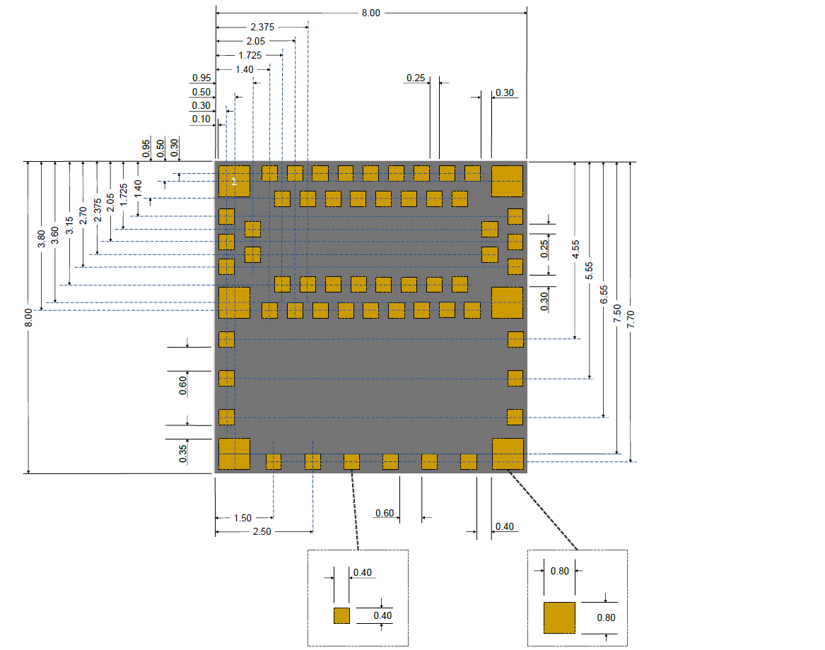
- 8mm x 8mm x 1mm dimensions
- Many analog and digital I/Os, including ADC, SPI, UART, PDM, and I2C
- LL variant
- 192kB flash and 24kB SRAM
- 13 configurable GPIOs, including 3 ADCs
- HT variant
- NFC-A tag for OOB pairing
- Arm Cortex M4F floating-point processor
- 512kB flash and 128kB SRAM
- 30 configurable GPIOs, including 8 ADCs
- USB interface
Applications
- IoT
- Connected objects
- Wearable technology
- Home automation
- Beacons
- Connected sensors for medical devices, healthcare, sport, fitness, and industrial applications
Specifications
- 10dBm RF input level
- 80mA NFC antenna pin current
- 2.5µF module total capacity
- 15µH module total inductance
- 10000 cycles flash endurance
- 2360MHz to 2500MHz operating frequency range
Block Diagram
Mechanical Diagram
Publié le: 2020-11-30
| Mis à jour le: 2024-08-23
