Infineon Technologies IR4321 & IR4322 Audio Amplifiers
Infineon IR4321 and IR4322 PowIRaudio™ devices integrate a PWM controller and digital audio MOSFETs to form high-performance Class D audio amplifiers. As a result of fully optimized MOSFETs co-packed with a dedicated controller IC, IR4321 and IR4322 amplifiers operate without mechanical heatsink attached in a typical music playback usage. High voltage ratings and noise immunity in the controller IC ensures reliable operation over various environmental conditions. These audio amplifiers are ideal for use in a variety of applications, including home theater systems, docking station audio systems, game consoles, and more.Features
- Integrated analog input Class D audio amplifier in a small 5mm x 6mm PQFN package (IR4321)
- 2 channel integrated analog input Class D audio amplifier in a small 7mm x 7mm PQFN44 package (IR4322)
- High peak music power output
- No mechanical heatsink required
- Split or single power supply
- Differential or single-ended input
- Overcurrent, overtemperature, and undervoltage protections with self-reset function
- Start and stop click noise reduction
- High noise immunity
- Clip and fault reporting outputs (IR4322)
- RoHS compliant
Applications
- Home theater systems
- Docking station audio systems
- PC audio systems
- Musical instruments
- Karaoke amplifiers
- Game consoles
- Powered speaker systems
- General-purpose audio power amplifiers
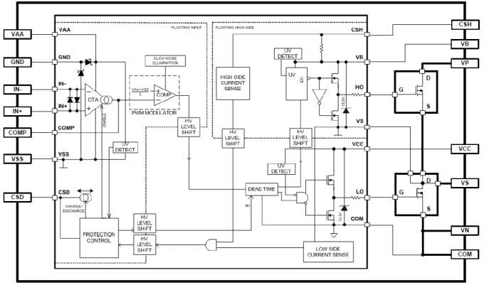
IR4321 Block Diagram
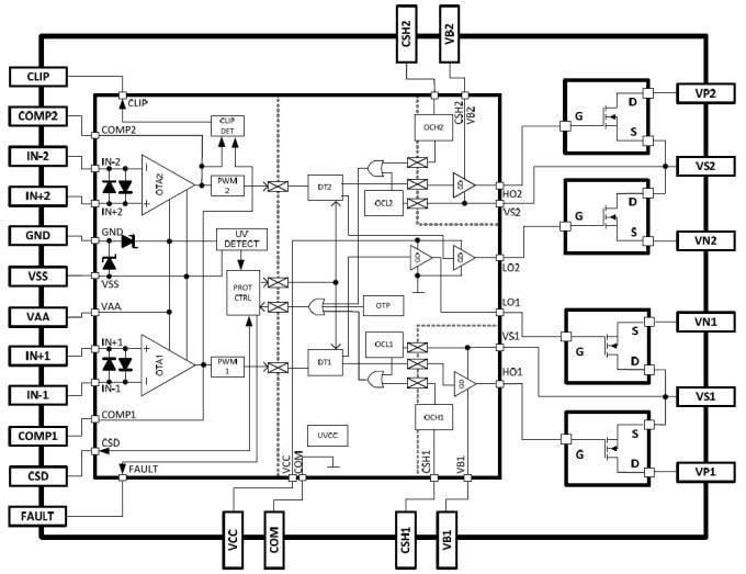
IR4322 Block Diagram
Publié le: 2013-07-24
| Mis à jour le: 2022-03-11
