Infineon Technologies Contrôleur combiné PFC + Flyback hybride XDPS2221
Le contrôleur combiné PFC + Flyback hybride XDPS2221 d'Infineon Technologies est un composant hautement intégré comprenant un contrôleur PFC CA-CC multimode et un contrôleur Flyback hybride CC-CC multimode. La combinaison du PFC multimode à hautes performances et du Flyback hybride dans un seul boîtier réduit les composants de nomenclature (BOM) externe et optimise les performances du système en harmonisant le fonctionnement des deux étages. Le contrôleur combiné XDPS2221 d'Infineon est disponible en boîtier DSO-14 (150 mm).Caractéristiques
- Fonction de décharge active de condensateur X certifiée CEI62368-1
- PFC multimode à hautes performances avec fonctionnement en mode de conduction critique
- Topologie Flyback hybride multimode à haut rendement avec période de résonance adaptative
- Boîtier DSO-14 (150 mm)
- Prend en charge la plage d'alimentation étendue (EPR) V3.1 standard USB-PD avec une large tension de sortie jusqu'à 28 V (36 V/48 V qui seront couverts par le XDPS2222)
- Contrôleur combo hautement intégré pour la topologie PFC et Flyback hybride, y compris une cellule de démarrage de 600 V avec fonctionnalité de décharge de condensateur X
Applications
- Adaptateurs et chargeurs
- avec une densité de puissance ultra-élevée
- avec plage d'alimentation étendue (EPR)
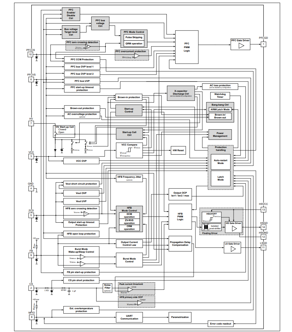
Schéma fonctionnel
Publié le: 2022-11-16
| Mis à jour le: 2022-11-30
