Infineon Technologies Contrôleur Flyback hybride XDPS2201
Le contrôleur flyback hybride XDPS2201 Infineon Technologies est basé sur une commande asymétrique en demi-pont. Ce demi-pont pilote un transformateur flyback conventionnel en conjonction avec un condensateur série. L'inductance principale du transformateur flyback et le condensateur série créent un réservoir à résonance, qui sert à obtenir une commutation à tension nulle (ZVS). Le contrôleur de commutation XDPS2201 est doté d'une cellule de démarrage haute tension de 600 V pour un chargement rapide et une puissance en veille faible. Il permet de contrôler le mode de courant de crête, pour un contrôle robuste et rapide de la ligne et de la charge. Le CI contrôleur de commutation XDPS2201 est parfait pour les alimentations SMPS CA/CC et les adaptateurs à densité de puissance ultra-élevée.Caractéristiques
- Pilote demi-pont intégré en boîtier DSO-14 (150 mil)
- Cellule de démarrage haute tension de 600 V pour un chargement rapide et une puissance en veille faible
- Contrôle du mode de courant de crête, pour un contrôle robuste et rapide de la ligne et de la charge
- Fonctionnement entrée/sortie en mode rafale basé sur l'estimation du courant de sortie
- Protection contre les surtensions en sortie côté primaire
- Puissance de veille à vide la plus faible (<75 mW)
- Large gamme de paramètres configurables via une interface UART à une broche
- Nombre de composants requis le plus faible
- Protection configurable contre les hausses et les baisses de tension
- Démarrage progressif intégré configurable
- Protection contre les surtensions en sortie configurable
- Seuils de courant en entrée/sortie en mode rafale configurables avec faible hystérésis
- Protection contre les surintensités configurable avec deux niveaux pour la charge crête et transitoire
- Réduction configurable de la fréquence avec saut de cycle, pour plus d'efficacité à faible charge
- Gigue configurable pour la fréquence de commutation
- Compensation configurable du retard de propagation, pour un contrôle précis du courant crête
- Placage des fils sans plomb
- Conforme à la directive RoHS et sans halogène conformément à la norme CEI61249-2-21
Applications
- SMPS CA-CC
- Adaptateur à densité de puissance ultra-élevée >20 W/pouce3
- SMPS à rendement ultra-élevé >93 %
Circuit d'application standard
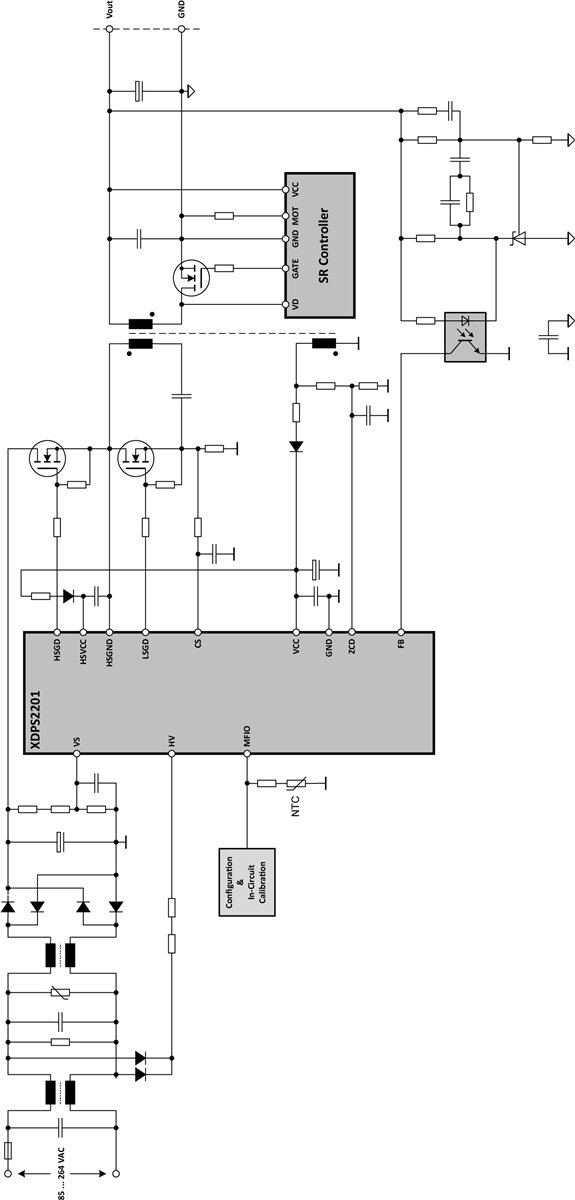
Schéma de principe
Publié le: 2021-03-25
| Mis à jour le: 2022-03-11
