Infineon Technologies CI pilote pour diodes laser VCSEL
Les CI pilote pour diodes laser VCSEL REAL3™ d'Infineon sont des CI économiques et à faible encombrement pour les capteurs d'images ToF (temps de vol) pour les diodes laser ou les LED à commutation rapide. Ils permettent une conversion très efficace de l'énergie électrique en énergie optique. Les CI pilote pour diode laser VCSEL d'Infineon font partie de la gamme de capteurs d'image iToF REAL3, mais peuvent également être utilisés pour les systèmes LDS (capteurs de distance laser) ou LiDAR. La version AEC-Q100 classe 1 est disponible avec prise en charge de fréquences de modulation élevées pour les applications de classe automobile.Caractéristiques
- Applications grand public
- Commutation rapide
- Surveillance de l'entrée LVDS
- Arrêt thermique
- Faible tension d'alimentation
- Version automobile
- Courant laser jusqu'à 10 A
- Tension laser jusqu'à 14 V
- Temps de montée et de descente <>
- Fréquence de modulation de 130 MHz
Applications
- Applications grand public :
- Caméras et systèmes à temps de vol indirect
- Systèmes LDS (capteur de distance laser)
- Systèmes Lidar
- Dispositifs mobiles
- Robotique
- Caméras et sécurité pour la maison intelligente
- Version automobile :
- Détection dans l'habitacle
- Contrôle gestuel
- Détection et classification des occupants
- Systèmes de surveillance du conducteur (DMS)
- Authentification faciale sécurisée
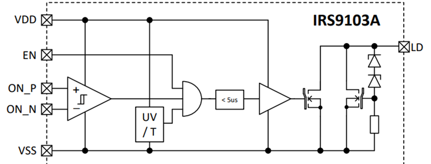
Schéma fonctionnel
Schéma fonctionnel de la version automobile
View Results ( 3 ) Page
| Numéro de pièce | Fiche technique | Description |
|---|---|---|
| IRS9102CXTSA1 | ![]() |
Pilotes laser Laser Driver for VCSELs and LEDs |
| IRS9103AXTSA1 | ![]() |
Pilotes laser REAL3 Laser diode driver for automotive |
| IRS9100CXTSA1 | ![]() |
Pilotes laser 3DI |
Publié le: 2025-09-30
| Mis à jour le: 2025-10-15

