Infineon Technologies Émetteur-récepteur FD CAN haut débit TLT9251VLE
L'émetteur-récepteur FD (débit de données flexible) CAN (Controller Area Network) haut débit TLT9251VLE Infineon Technologies offre un débit de données flexible pouvant atteindre 5 MO. Il est en outre homologué AEC-Q100 classe 0 pour les applications automobiles. L'émetteur-récepteur TLT9251VLE est conforme aux exigences de la norme ISO 11898-2 (2016) relative à la couche physique et des normes SAE (Society of Automotive Engineering) J1939 et J2284. En tant qu'interface entre la couche de bus physique et le contrôleur de protocole CAN HS, l'émetteur-récepteur TLT9251VLE protège le microcontrôleur contre les interférences générées à l'intérieur du réseau. Une résistance aux ESD et aux RF très élevée permettent d'utiliser ce composant dans les applications automobiles sans ajouter de dispositifs de protection supplémentaires.Basé sur la forte symétrie des signaux de sortie CANH et CANL, le TLT9251VLE fournit un très faible niveau d'émissions électromagnétiques (EME) sur une large plage de fréquence.
L'optimisation de l'émetteur et la symétrie du retard du récepteur permettent au TLT9251VLE de prendre en charge les débits de données FD CAN. En fonction de la taille du réseau et des effets parasites, le composant peut prend en charge des débits binaires pouvant atteindre 5 Mbit/s.
Des modes dédiés à faible puissance fournissent des courants de repos très faibles lorsque le composant est sous tension. En mode veille, le courant de repos standard sur VIO est inférieur à 10 µA. Le composant peut toujours être réactivé par un signal de bus sur le bus CAN HS.
Des fonctionnalités de sécurité telles que la protection contre les surchauffes, la limitation du courant de sortie ou la temporisation TxD protègent le TLT9251VLE et le circuit externe les dommages irréparables.
L'émetteur-récepteur TLT9251VLE Infineon Technologies est disponible en boîtier compact PG-TSON-8 sans fil. Il répond au exigences de joint de soudure pour l'inspection optique automatisée (AOI), est conforme à la directive RoHS et est sans halogène.
Caractéristiques
- Totalement conforme aux normes ISO 11898-2 (2016), SAE J2284-4 et SAE J2284-5
- Qualité automobile Infineon
- Homologué AEC-Q100 classe 0 (TA : -40 °C à +150 °C) pour les profils de mission à haute température
- Symétrie du retard de boucle garantie pour les débits de données CAN FD jusqu'à 5 Mbit/s
- Les très faibles émissions électromagnétiques (EME) permettent une utilisation sans bobine d'arrêt des courants de mode commun supplémentaire
- Entrée VIO pour l'adaptation de tension à l'interface µC (3,3 V et 5,0 V)
- Fonction de schéma de réveil de bus (WUP) avec durée de filtre optimisée (0,5 µs à 1,8 µs) pour une utilisation OEM partout dans le monde
- Mode veille avec courant de repos minimisé
- L'alimentation VCC de l'émetteur peut être désactivée en mode veille pour réduire davantage le courant de repos
- Indication de réveil sur la sortie RxD
- Large plage de mode commun pour l'immunité électromagnétique (EMI)
- Excellente résistance aux ESD de ±8 kV (HBM) et ±11 kV (CEI 61000-4-2)
- Plage d'alimentation étendue sur l'alimentation VCC et VIO
- Résister aux courts-circuits CAN à la terre, à la batterie, à VCC et à VIO
- Fonction de temporisation TxD
- Très faible courant de fuite du bus CAN en état hors tension
- Protection contre les surchauffes
- Protégé contre les transitoires automobiles conformément aux normes ISO 7637 et SAE J2962-2
- Produit écologique (conforme RoHS)
- Boîtier TSON8 compact sans fil conçu pour l'inspection optique automatisée (AOI)
Applications
- Applications de transmission et de groupe motopropulseur automobile
- Modules de passerelle
- Modules de commande de corps (BCM)
- Unité de commande de moteur (ECU)
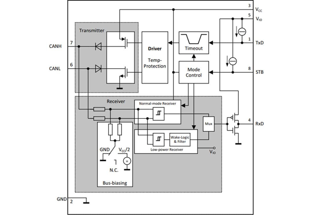
Schéma de principe
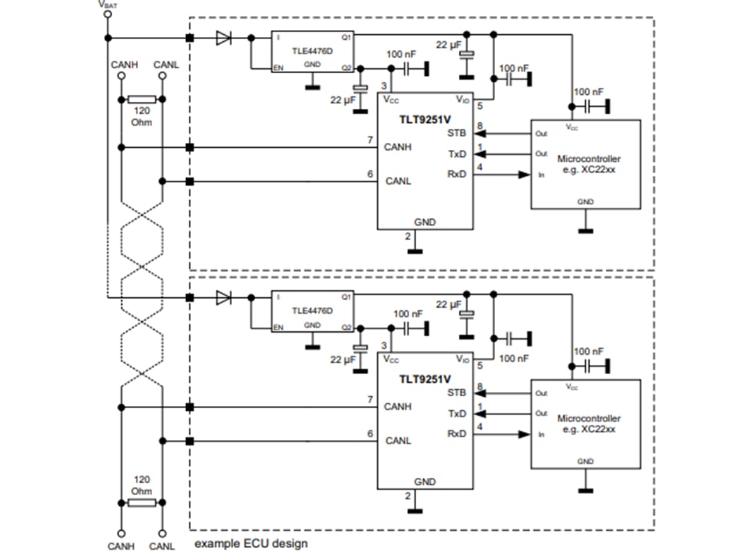
Circuit d'application standard
Profil de boîtier
