Infineon Technologies MOSFET et pilote de grille TLF11251LD
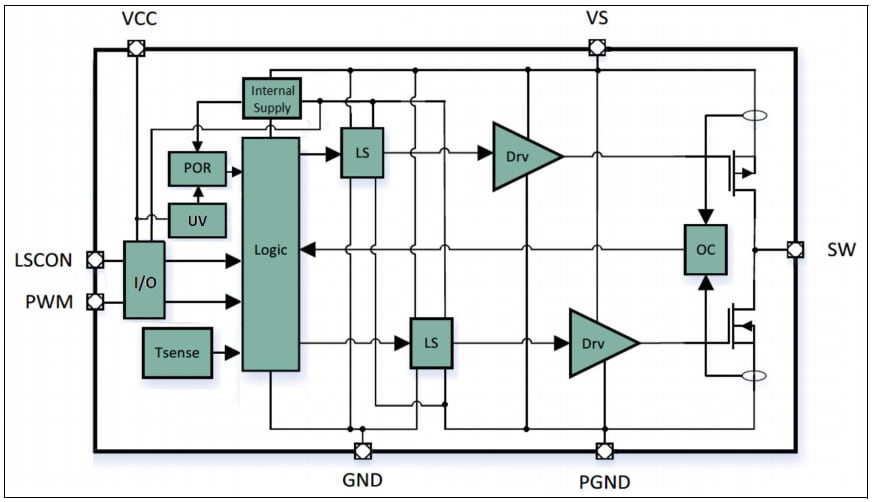
Le MOSFET et pilote de grille TLF11251LD Infineon Technologies se compose d'un pilote intégré, à demi-pont, avec un canal P côté haut, et d'un MOSFET à canal N côté bas dans un seul et même boîtier. L'étage de décalage de niveau intégré permet la conversion des signaux logiques d'entrée en niveau de tension d'alimentation des pilotes de grille. Ce dispositif de décalage de niveau et le pilote de grille génèrent le temps mort, ce qui simplifie l'interface avec le régulateur de tension à cœur intégré des MCU. Le composant TLF11251LD est permet d'utiliser le PMIC OPTIREGTM TLF35584/85 pour 2,5 A avec les MCU TC38x/TC39x 32 bits haut de gamme TriCorTM AURITM de 2e génération. Le dispositif intègre des caractéristiques de protection contre les surintensités pour les MOSFET côté haut et côté bas, et contre les événements de surchauffe.Le composant TLF11251LD est fourni dans une seule entrée de commande avec une logique intégrée de temps mort qui permet un contrôle optimisé et une efficacité élevée. Ce demi-pont avec pilote intégré et dispositif de décalage de niveau fonctionne sur une plage de température de -40 °C à +150 °C et dans une plage de tension de 3,5 V à 7 V. Le composant TLF11251LD est fourni en boîtier PG-TSON-10 et est homologué AEC. Ce demi-pont avec pilote intégré et dispositif de décalage de niveau est idéal pour une utilisation dans les applications automobiles.
Caractéristiques
- Pont de sortie complémentaire PMOS et NMOS intégré avec capacité de courant de 2,5 A
- Pilotes de grille intégrés
- Entrée de contrôle unique avec logique intégrée de temps mort pour un contrôle optimisé et une efficacité élevée
- Détection et limitation du courant de sortie
- Protection contre les surchauffes
- Faible courant de repos
- Aucun ajustement externe du temps mort requis
- Produit écologique (conforme RoHS)
Caractéristiques techniques
- Plage de tension d'alimentation : de -0,3 V à 7 V
- Plage de courant de drain continu : de -2,5 A à 2,5 A
- Plage de courant de drain par impulsion : de -4,4 A à 4,4 A
- Plage de température de jonction : -40 °C à +150 °C
- Température de stockage : -55 °C à +150 °C
Applications
- Applications de sécurité fonctionnelle dans :
- Groupe motopropulseur (p. ex., EMS)
- Train d'entraînement électrique (p. ex., onduleur)
- Sécurité (p. ex., fusion de capteurs)
- Châssis (p. ex., contrôle de domaine)
- Carrosserie (p. ex., passerelle)
- Permet une alimentation efficace du cœur pour les microcontrôleurs 32 bits haut de gamme TriCore™ AURIX™ de 2e génération (TC38x/TC39x) avec le PMIC OPTIREG™ TLF35584/85
Schéma de principe
Schéma de principe d'application
Ressources supplémentaires
Brochure d'application
Publié le: 2020-10-20
| Mis à jour le: 2024-12-06
