Infineon Technologies Émetteur-récepteur FD CAN haut débit TLE9351SJ
L'émetteur-récepteur FD CAN haut débit TLE9351SJ Infineon Technologies est conçu pour protéger le microcontrôleur contre les interférences générées à l'intérieur du réseau. Il se caractérise par un très faible niveau d'émissions électromagnétiques (EME) sur une large plage de fréquence grâce à la forte symétrie des signaux de sortie CANH et CANL. L'émetteur-récepteur TLE9351SJ satisfait aux limites de test rigoureuses de compatibilité électromagnétique (CEM) sans circuit externe supplémentaire (bobine d'arrêt en mode commun, par exemple). Cet émetteur-récepteur intègre une excellente résistance contre les DES, une protection contre les surchauffes et un mode veille avec un courant de repos minimisé. La symétrie optimisée de l'émetteur et du retard du récepteur permet à l'émetteur-récepteur TLE9351SJ de prendre en charge les débits de données FD CAN. Ce composant accepte des débits de données jusqu'à 5 Mbit/s, en fonction de la taille du réseau et des effets parasites inhérents. L'émetteur-récepteur TLE9351SJ est idéal pour les applications automobiles et industrielles.Caractéristiques
- Très faible courant de fuite du bus CAN en état hors tension
- Très faibles émissions électromagnétiques (EME)
- Certifié conforme aux exigences de test VeLIO (interopérabilité et optimisation du réseau local des véhicules)
- Symétrie du retard de boucle pour les débits de données CAN FD jusqu'à 5 Mbit/s
- Fonction de schéma de réveil de bus (WUP) avec durée de filtre optimisée pour une utilisation OEM partout dans le monde
- Excellente résistance aux ESD
- Fonction de temporisation TxD
- Conforme à la directive RoHS
- Protection contre les surchauffes
- Mode veille avec courant de repos minimisé
Applications
- Unités de commande de moteur
- Modules de passerelle
- Modules de commande de corps (BCM)
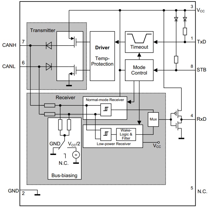
Schéma de principe
Schéma du circuit d'application
Publié le: 2021-09-21
| Mis à jour le: 2024-06-10
