Infineon Technologies Carte d'évaluation TLD5191IVREG_EVAL
La carte d’évaluation TLD5191IVREG_EVAL Infineon Technologies évalue le contrôleur CC-CC à pont en H MOSFET synchrone TLD5191ES. Cette carte d’évaluation est caractérisée par son architecture Buck-Boost à haute puissance et haut rendement. La carte d’évaluation TLD5191IVREG_EVAL est un composant optimisé CEM et offre une régulation de courant constant (LED) et de tension constante. Cette carte d’évaluation permet une conception compacte grâce à un haut rendement et à des émissions EMI réduites. La carte d’évaluation TLD5191IVREG_EVAL dispose d’un courant de sortie maximal 6 A, d’une plage de tension d’alimentation de 6 V à 35 V et d’une plage de tension de sortie de 5 V à 47 V. Les applications standard incluent les applications automobiles, le CC-CC à usage général pour les applications à courant ou tension constant telles que l’USB, les chargeurs sans fil mobiles et la pré-régulation polyvalente pour l’info-divertissement.Caractéristiques
- Régulation de courant Constant (LED) et de tension constante
- Architecture Buck-Boost à haute puissance et haut rendement
- Moteur MLI intégré pour gradation numérique
- Dispositif optimisé pour la CEM (spectre étalé)
- Permet une conception compacte grâce à un haut rendement
- Réduction des émissions EMI
- Diagnostic facile de la charge grâce à des protections fiables
Caractéristiques techniques
- Courant de sortie maximal 6 A
- Plage de tension d’alimentation de 6 V à 35 V
- Plage de tension de sortie de 5 V à 47 V
- Fréquence de commutation 385 kHz
- Fréquence MLI de 275 Hz (moteur MLI intégré activé)
Applications
- Spécialement conçu pour piloter des LED à haute puissance dans les applications automobiles
- Éclairage extérieur automobile : ensembles complets de projecteurs LED (faisceau faible, faisceau haut, faisceau matriciel et lumière pixel)
- Prérégulateur de tension pour les assemblages de feux arrière
- CC-CC à usage général pour les applications à courant constant ou tension constante telles que USB, chargeurs sans fil mobiles et pré-régulation polyvalente pour l’infodivertissement
Configuration du circuit imprimé
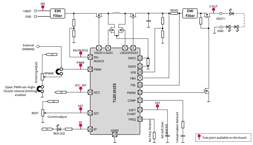
Schéma simplifié en mode courant constant (pilote LED)
Ressource supplémentaire
Publié le: 2023-11-15
| Mis à jour le: 2024-01-26
