Infineon Technologies Carte d'évaluation SEPIC à mode de tension TLD5099EP_VSPC
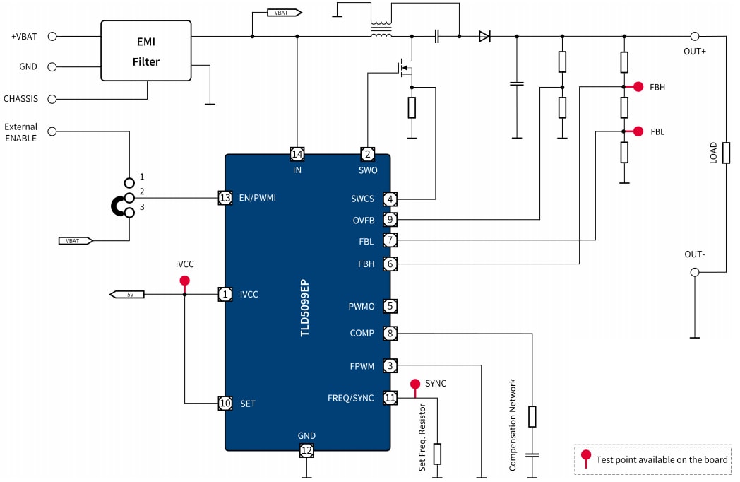
La carte d'évaluation SEPIC à mode de tension TLD5099EP_VSPC Infineon Technologies est conçue pour évaluer le contrôleur TLD5099EP en topologie SEPIC à mode de tension pour les applications de moyenne puissance. Elle fournit jusqu'à 12 W à la charge avec un rendement supérieur à 85 %. La broche SWCS connectée au shunt en mode courant agit comme un limiteur approximatif et limite le courant court à la terre à environ 3,6 A. La carte d'évaluation peut être utilisée comme alimentation CC-CC avec une tension de sortie constante. Applications standard : automobile et éclairage.Caractéristiques
- Évalue le contrôleur TLD5099EP configuré en topologie SEPIC à mode de tension
- Alimentation CC-CC avec sortie à tension constante
- Le courant de court-circuit à la terre est limité à 3,6 A par la broche SWCS connectée au shunt en mode courant
- Fournit jusqu'à 12 W à la charge avec un rendement supérieur à 85 %
- Plage de tension d'alimentation : de 8 V à 27 V
- Tension de sortie 12 V
Schéma simplifié
Courbe de performance
Publié le: 2020-08-10
| Mis à jour le: 2024-11-15
