Infineon Technologies Carte d'évaluation TLD5099EP_B2B
La carte d'évaluation TLD5099EP_B2B Infineon Technologies est conçue pour les applications LED à haute puissance avec le contrôleur TLD5099EP dans la topologie « élévateur-batterie ». Cette carte d'évaluation fournit jusqu'à 21 W à la charge avec un rendement supérieur à 84 %. La carte d'évaluation TLD5099EP_B2B est fournie avec des circuits auxiliaires pour protéger le convertisseur CC-CC et la charge en cas de court-circuit à la terre. Cette carte d'évaluation est dotée d'un potentiomètre de réglage du courant de sortie, d'un circuit de déclassement de puissance, d'un moteur PWM embarqué et d'un circuit de survie de démarrage à froid (CCSC). Applications standard : automobile et éclairage.Caractéristiques
- Topologie par défaut « élévateur-batterie »
- Fournit jusqu'à 21 W à la charge avec un rendement supérieur à 84 %
- Circuits auxiliaires pour protéger le convertisseur CC/CC et la charge en cas de court-circuit à la terre
- Potentiomètre de réglage du courant de sortie
- Circuit de déclassement de puissance
- Moteur PWM embarqué
- CCSC
- Plage de tension d'entrée de 8 V à 27 V
- Plage de tension de sortie de 6 V à 23 V
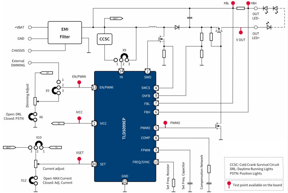
Schéma simplifié
Courbe de performance
Publié le: 2020-08-10
| Mis à jour le: 2024-11-13
