Infineon Technologies Carte d'évaluation TLD5098EP_B2B
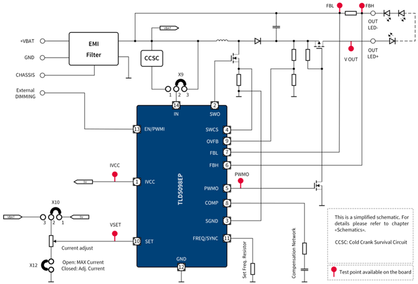
La carte d'évaluation TLD5098EP_B2B Infineon Technologies est une carte d'évaluation conforme aux normes AEC en topologie boost-to-battery conçue comme un pilote LED. La carte délivre jusqu'à 21 W avec une efficacité supérieure à 85 %. Lorsque les connecteurs sont activés, la carte est équipée d'un réglage de courant de sortie, d'une circuiterie de réduction de puissance et d'un circuit de démarrage à froid (CCSC).Caractéristiques
- Potentiomètre de réglage du courant de sortie
- Circuiterie de réduction de puissance
- Circuit de survie au démarrage à froid
- Fournit jusqu'à 21 W avec une efficacité supérieure à 85 %
- Courant de sortie maximal de 1 A
- Plage de tensions de sortie de 16 V à 23 V
- Plage de tension d'alimentation de 8 V à 27 V
- Homologué AEC
- Conforme à la directive RoHS
Applications
- Feux de jour
- Feux de route
- Feux de croisement
- Pleins phares
Schéma simplifié
Configuration par défaut
Réglage du courant
Réduction de puissance
Circuit de démarrage à froid
Publié le: 2025-01-31
| Mis à jour le: 2025-02-13
