Infineon Technologies MOSFET de puissance OptiMOS™ 7 80 V pour l'automobile
Les MOSFET de puissance OptiMOS™ 7 80 V pour l'automobile d'Infineon Technologies sont fabriqués avec la technologie de semiconducteurs de puissance de pointe d'Infineon. Ces MOSFET sont conçus spécifiquement pour offrir la haute performance, la qualité et la robustesse nécessaires aux applications automobiles exigeantes. Les MOSFET OptiMOS™ 7 80 V fonctionnent avec une tension de source de grille de ±20 VGS et une plage de température de -55 °C à 175 °C. Ces MOSFET sont proposés dans un boîtier CMS SSO10T de 5 x 7 mm2 refroidi par le dessus. Le boîtier SSO10T aide les utilisateurs à réaliser des progrès en matière de refroidissement et de densité de puissance. Les MOSFET de puissance 80 V sont classés MSL-1, conformes à la directive RoHS et 100 % avalanche. Ces MOSFET de puissance sont idéaux pour les applications automobiles générales.Caractéristiques
- Voie de refroidissement directe vers le boîtier de l'ECU
- Pratiquement aucune chaleur ne s'infiltre dans le PCB
- Plus grande zone de pastille exposée de l'industrie
- Possibilité d'acheminer les pistes sous le boîtier
- Possibilité de monter des pièces sur la face arrière du PCB
- Résistance à l'état passant de pointe, RDS(on)
- Temps de commutation rapide (marche/arrêt)
- Tension de seuil serrée, plage VGS(th)
- Qualification étendue au-delà d'AEC-Q101
- Tests électriques améliorés
- Le boîtier est répertorié avec JEDEC
- Permet une excellente gestion thermique
- Amélioration de l'impédance thermique de 20 % à 50 %
- Amélioration de 20 % à 50 % de la résistance thermique
- Permet de réduire le volume de l'ECU ou la zone du PCB
- Permet de réduire le coût du PCB (zone, Cu et vias)
- Réduit l'effort de conception du PCB et du système
- Permet d'atteindre la plus haute densité de puissance
- Réduit les pertes de conduction
- Performance de commutation supérieure
- Bien adapté pour un placement en parallèle
- Qualité et robustesse pour l'automobile
- Potentiel pour un deuxième fournisseur source
Applications
- Automobile :
- Direction assistée électrique 48 V
- Éclairage avant LED
- Convertisseurs CC-CA
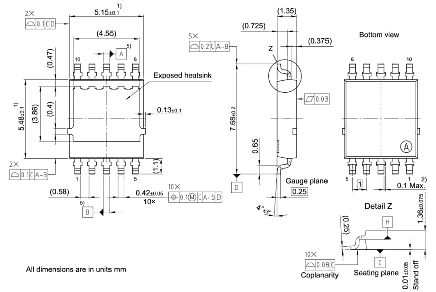
Dimensions
View Results ( 13 ) Page
| Numéro de pièce | Fiche technique | Temps de descente | Id - Courant continu de fuite | Package/Boîte | Pd - Dissipation d’énergie | Qg - Charge de grille | Rds On - Résistance drain-source | Temps de montée | Vds - Tension de rupture drain-source | Vgs - Tension grille-source | Vgs th - Tension de seuil grille-source |
|---|---|---|---|---|---|---|---|---|---|---|---|
| IAUCN08S7L024ATMA1 | ![]() |
20 ns | 177 A | PG-TDSON-8 | 148 W | 65.2 nC | 2.4 mOhms | 9 ns | 80 V | 16 V | 2 V |
| IAUCN10S7L040ATMA1 | ![]() |
14 ns | 130 A | PG-TDSON-8 | 118 W | 44.3 nC | 3.3 mOhms | 5.9 ns | 100 V | 16 V | 2 V |
| IAUZN08S7N046ATMA1 | ![]() |
7 ns | 99 A | PG-TDSON-8 | 94 W | 27.2 nC | 4.6 mOhms | 3.7 ns | 80 V | 20 V | 3.2 V |
| IAUCN08S7L013ATMA1 | ![]() |
35 ns | 293 A | PG-TDSON-8 | 219 W | 120 nC | 1.26 mOhms | 14 ns | 80 V | 20 V | 2 V |
| IAUCN08S7L018ATMA1 | ![]() |
25 ns | 210 A | PG-TDSON-8 | 169 W | 79.9 nC | 1.8 mOhms | 11 ns | 80 V | 20 V | 2 V |
| IAUCN08S7L033ATMA1 | ![]() |
14 ns | 130 A | PG-TDSON-8 | 118 W | 44.3 nC | 3.3 mOhms | 5.9 ns | 80 V | 16 V | 2 V |
| IAUCN08S7N016TATMA1 | ![]() |
20 ns | 262 A | PG-LHDSO-10-3 | 205 W | 83 nC | 1.63 mOhms | 18 ns | 80 V | 20 V | 3.2 V |
| IAUCN08S7N019TATMA1 | ![]() |
17 ns | 223 A | PG-LHDSO-10-2 | 180 W | 68 nC | 1.94 mOhms | 16 ns | 80 V | 20 V | 3.2 V |
| IAUCN08S7N024TATMA1 | ![]() |
16 ns | 186 A | PG-LHDSO-10-1 | 157 W | 54 nC | 2.44 mOhms | 16 ns | 80 V | 20 V | 3.2 V |
| IAUCN08S7N045TATMA1 | ![]() |
9 ns | 103 A | PG-LHDSO-10-1 | 98 W | 27 nC | 4.54 mOhms | 9 ns | 80 V | 20 V | 3.2 V |
Publié le: 2025-07-23
| Mis à jour le: 2025-08-19

