Infineon Technologies CI pilote grille MOTIX™ TLE9189
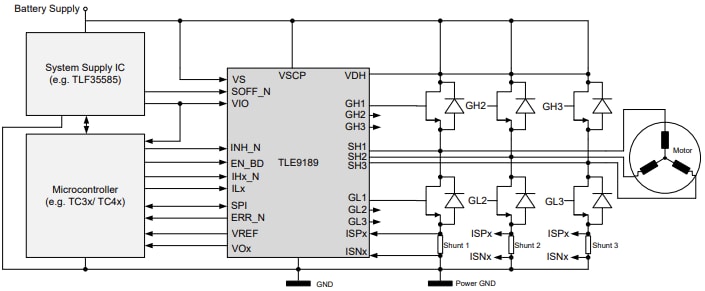
Les CI pilote grille TLE9189 MOTIX™ d’Infineon Technologies sont des CI triphasés conçus pour des applications essentielles en matière de sécurité pour des moteurs CC brushless de 12 V. Ces CI pilote sont conformes à la norme AEC-Q100 Niveau 0 et ISO 26262, les rendant parfaits pour les systèmes de freinage et de direction par câble où connexions mécaniques conventionnelles seront éliminées à l’avenir. Les caractéristiques supplémentaires incluent un concept de contrôle de moteur conventionnel qui se compose d’une entrée MLI et d’amplificateurs de détection de courant intégrés pour une détection de courant précise. Le CI pilote de grille TLE9189 MOTIX d’Infineon Technologies inclut une fonction de contrôle du MOSFET adaptatif unique qui peut aider à améliorer les performances du CEM et à atteindre le temps de commutation visé et à réduire les pertes de puissance.Caractéristiques
- Pilote de pont triphasé haute puissance pour la commutation de 6 MOSFETs de canal N avec un QGtot de 200 nC à une fréquence MLI de 20 kHz
- Étages de sortie à source de courant contrôlée Gxx avec commande adaptative de grille MOSFET
- Rapport cyclique de 0 % à 100 % et réglable sans restriction
- 3 amplificateurs de détection de courant pour la mesure du courant de shunt côté bas avec une précision élevée de 1 % et un temps de stabilisation rapide de 1 μs
- Plage de tension d’alimentation entièrement fonctionnelle spécifiée de 4,2 V à 36 V pour les systèmes d’alimentation par batterie de 12 V
- Réactions de défaillance configurables, y compris la fonction de freinage du moteur
- Fonctions de surveillance et de diagnostic étendues via une interface périphérique série (SPI)
- Développé conformément à la norme ISO 26262 ASIL-D
- Broche de contrôle d’état sécurisé supplémentaire SOFF_N
- PINS de sortie et d’entrée numérique à haute tension nominale
- Élément de sécurité ISO 26262 hors contexte pour les exigences de sécurité jusqu'à ASIL D
- Barrière de sécurité pour l’interface du microcontrôleur
- Chien de garde SPI pour la supervision du microcontrôleur
- Claquage passif des FET externes
- Mode de courant de repos faible
- Brochage optimisé
- Produit écologique (Conforme à la directive RoHS)
- Homologué AEC
Applications
- Direction assistée électrique (EPS)
- Survolteur-dévolteur de frein électrique (EBB)
- Contrôle de moteur BLDC ou PMSM lié à la sécurité fonctionnelle
Vidéos
Schéma fonctionnel
Publié le: 2024-11-04
| Mis à jour le: 2025-09-26
