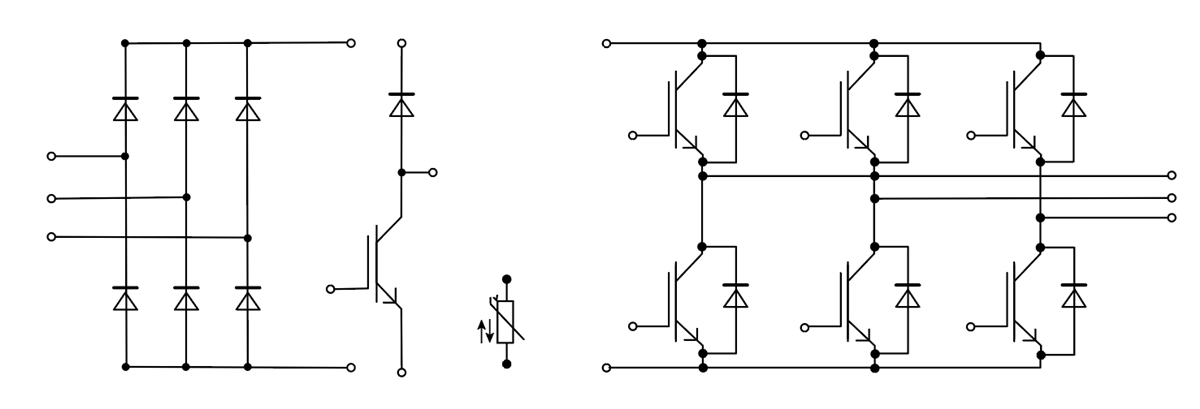
Les modules EconoPIM 2 et 3 Infineon intègrent chacun un pont redresseur, un hacheur de frein et un étage inverseur. Deux configurations sont disponibles : EconoPIM et EconoPACK. Le boîtier Econo comprend une embase en cuivre pour une diffusion thermique optimisée et une thermistance (NTC).
Les modules Econo sont disponibles avec des broches soudables ou PressFIT, et un nombre croissant de modules Econo sont disponibles avec un matériau d'interface thermique préappliqué. Des modules Econo spécifiques intègrent des shunts pour une détection de courant précise et économique.
Les modules EconoPIM 2 et 3 utilisent la technologie de puce IGBT planaire, autorisant des pertes de commutation faibles, une tension de saturation et une fréquence de commutation élevée. De plus, ces composants offrent également l'IGBT4 optimisé en versions 650 V/1 200 V/1 700 V.
Caractéristiques
- Intégration d'un pont redresseur, d'un hacheur de frein, d'un étage inverseur et d'un NTC dans un seul boîtier pour réduire les coûts du système
- Flexibilité grâce à un boîtier personnalisable (la position des broches et la topologie peuvent être adaptées aux besoins des clients)
- Nombreux courants (15 A-150 A), tensions (600 V-1 700 V) et topologies disponibles pour diverses et stratégies de plate-forme
- Technologie IGBT4 Trenchstop™ à densité de puissance avec Tvjop = 150 °C, pour une densité de puissance plus élevée que celle de l'IGBT3 Trenchstop, pour des conceptions d'onduleurs compactes
- Le matériau d'interface thermique préappliqué permet d'accroître la puissance de sortie par rapport au module standard et la durée de vie
- Concept de boîtier éprouvé conforme à la directive RoHS pour une haute disponibilité
- Technologie PressFIT pour les bornes principales et auxiliaires, pour faciliter le montage
Applications
- Moteurs
- Climatisation
- Onduleurs
Vidéos
Présentation
Topologie

