Infineon Technologies Cartes EB 2ED2410 3D/3M
Les cartes EB 2ED2410 3M/3D d'Infineon Technologies sont basées sur une carte 3M mère/3D fille comme solution pour les commutateurs de puissance à sûreté intégrée/opérationnels après défaillance. La carte EB 2ED2410 3M dispose du pilote 2ED2410-EM, d’une interface de contrôle vers un microcontrôleur, ou de générateurs de formes d’onde accessibles par des connecteurs à broches. Les cartes EB 2ED2410 3D-1BCD, -1BCS, -1BCDP, -1BCSP disposent d’un drain commun MOSFET à canal N, d’une structure de sources communes avec ou sans circuit de précharge. Les cartes EB 2ED2410 3M/3D sont idéales pour les applications automobiles ou industrielles, notamment la fonctionnalité de fusible électronique et la protection des fils I-t.Caractéristiques
- Carte mère 3M EB 2ED2410 :
- Protection des fils et du commutateur (p. ex. protection des fils I-t ou contre les courts-circuits)
- Identification des défauts (via les broches DGx)
- Surveillance des conditions de fonctionnement du commutateur (température de la carte de circuit imprimé et fuite grille-source du MOSFET)
- Analyse du mode défaillance du MOSFET connecté
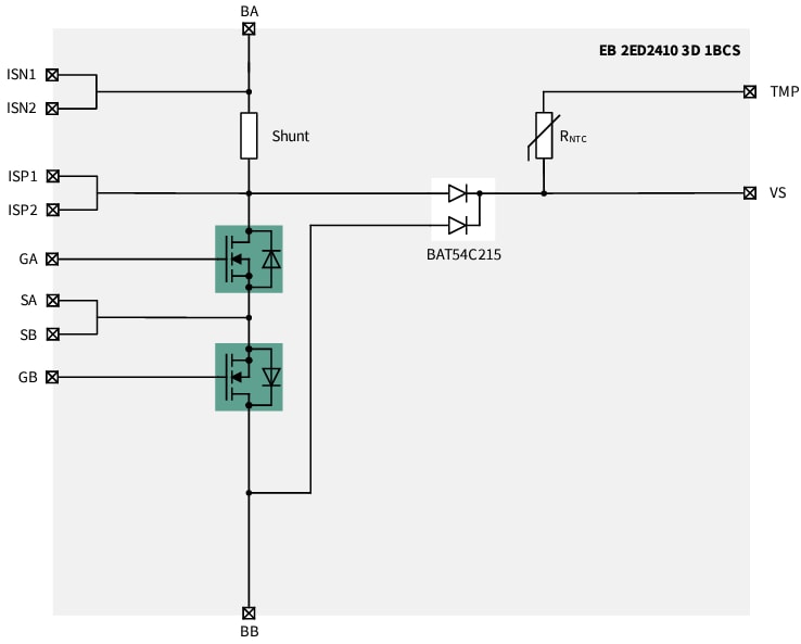
- Cartes filles EB 2ED2410 3D :
- Drain commun MOSFET à canal N
- Structure de sources communes avec ou sans circuit de précharge
- Conçues pour des connecteurs banane prêts-à-l'emploi simples
Présentation de la carte mère
Présentation de la carte fille -1BCD
Présentation de la carte fille -1BCDP
Présentation de la carte fille -1BCS
Présentation de la carte fille -1BCSP
Publié le: 2023-08-03
| Mis à jour le: 2023-08-24
