Infineon Technologies BTS3125EJ Demonstration Board
Infineon Technologies BTS3125EJ Demonstration Board is engineered to evaluate the features and performance of the BTS3125EJ Highly Integrated Temperature Protected MOSFET (HITFET™) switches. This board includes two LEDs that display the status signal and whether the surrounding circuit is supplied. The BTS3125EJ demonstration board features an integrated programmable push button and a diagnosis function. Infineon Technologies BTS3125EJ Demonstration Board is capable of driving one 12V resistive, capacitive, or inductive load and is compatible with the Arduino/XMC1100 boot kit. The BTS3125EJ demonstration board is RoHS compliant and operates within a 6V to 31V supply voltage range.Features
- Evaluates features and performance of BTS3125EJ HITFET switches
- Pair of LEDs displays the status signal and whether surrounding circuit is supplied
- Integrated programmable push button
- Diagnosis function
- Can drive one 12V resistive, capacitive, or inductive load
- Compatible with Arduino/XMC1100 boot-kit
- RoHS compliant
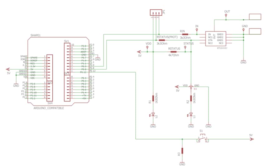
Schematic
Publié le: 2019-12-10
| Mis à jour le: 2024-01-23
