Infineon Technologies CI de commandes de grille EiceDRIVER™ 6ED223xS12T
Les CI de commandes de grille à décalage de niveau EiceDRIVER™ 6ED223xS12T d'Infineon Technologies sont des transistors bipolaires à grille isolée (IGBT) à haute tension (jusqu’à 1200 V) et haut débit avec trois canaux de sortie indépendants référencés côté haut et côté bas pour les applications triphasées. Les technologies CMOS HVIC et d'immunité au blocage propriétaires permettent une construction monolithique renforcée. L’entrée logique est compatible avec les sorties CMOS ou TTL standard, jusqu’à la logique de 3,3 V. Cette résistance peut également dériver une fonction de protection contre les surintensités (OCP) qui termine les six sorties.Les CI 6ED223xS12T triphasés fournissent un signal de défaillance à drain ouvert pour indiquer un arrêt en cas de surintensité ou de sous-tension. Les conditions de défaut sont effacées automatiquement après un délai programmé en externe via un réseau RC. Les pilotes de sortie disposent d’un étage tampon de courant à haute impulsion conçu pour une conduction transversale minimale du pilote. Le canal flottant peut piloter des MOSFET de puissance ou des IGBT à canal N dans la configuration côté haut, qui fonctionne jusqu’à 1200 V. Les délais de propagation sont adaptés pour simplifier l’utilisation du HVIC dans les applications à haute fréquence.
Caractéristiques
- Solution triphasée avec la technologie d'isolation au silicium (SOI) d'Infineon et diodes d’amorçage (BSD) intégrées
- Logique de prévention des temps morts et de la conduction transversale
- Fonctionnement jusqu’à la tension de décalage de + 1 200 V
- Tolère aux tensions transitoires négatives (jusqu’à - 100 V), immunité dV/dt
- Verrouillage de sous-tension pour les deux canaux
- Protection contre les surintensités avec seuil ITRIP de ± 5 %
- Signalement des défaillances, effacement automatique des défaillances et fonction d’activation sur la même broche (RFE)
- Retard de propagation homogène pour tous les canaux
- Protection intégrée contre les temps morts de 460 ns
- Protection contre le courant transversal (conduction croisée)
- Faible courant de repos
- Efficacité de haute puissance
- Commutation rapide et fiable
- Fiabilité accrue des appareils
- Alimentation électrique d'amorçage économique
- Conception simple et facile à utiliser
- Diverses options d'entrée
- Boîtiers et brochages standard
Applications
- Moteurs industriels
- Contrôle de moteur
- Convertisseurs à usage général
- Climatisation commerciale et résidentielle
Caractéristiques techniques
- Classification 1 200 V
- Courant de sortie
- Source de 0,35 A
- Dissipateur de 0,65 A
- Capacité de courant source/dissipateur de sortie de + 0,35 A/- 0,65 A
- 6 canaux
- Plage de température ambiante de - 40 °C à + 125 °C
- Retard de propagation
- Mise sous tension de 700 ns
- Arrêt de 650 ns
- Plage d’entrée de 10 V à 20 V
- Compatible logique d’entrée de 3,3 V, 5 V et 15 V
Fiches techniques
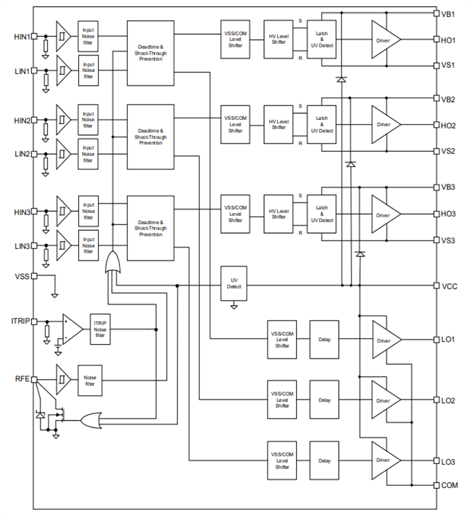
Schéma fonctionnel
Ressources supplémentaires
Publié le: 2023-01-26
| Mis à jour le: 2023-07-03
