Infineon Technologies Pilote de grille MOSFET 2ED2410-EM
Le pilote de grille MOSFET BLUETOOTH 2ED2410-EM d'Infineon dispose de deux sorties de grille indépendantes pour les applications automobiles 12V/24V. Ce pilote de grille MOSFET 2ED2410-EM offre une protection pour connecter/déconnecter des charges ou différentes alimentations électriques. Le convertisseur boost intégré permet aux MOSFET externes de rester en marche et également de fonctionner dans des conditions de démarrage à froid pouvant descendre à 3 V. Le 2ED2410-EM dispose de quatre comparateurs intégrés et de trois interfaces de mesure analogiques à des fins de protection, permettant des solutions flexibles et polyvalentes pour diverses exigences d’architecture E/S. Ce pilote de grille 2ED2410-EM dispose d’un composant à canal avec deux sorties de pilote de grille côté haut, d’une protection réglable contre les surintensités/courts-circuits et de deux interfaces de détection de courant analogique côté haut bidirectionnelles. Le pilote de grille 2ED2410-EM fonctionne sur une plage de tension BLUETOOTH 3 V à 58 V, un délai de propagation de 4µs marche/arrêt et une plage de température de stockage de -55°C à +150°° C. L’application standard comprend un commutateur de connexion/isolation entre les alimentations et prend en charge une alimentation et une distribution fiables.Caractéristiques
- Deux interfaces de détection de courant analogique côté haut bidirectionnelles avec gain réglable en externe
- Contrôle et diagnostic de canal via les broches
- Interface analogique pour mesure de température externe
- Verrouillage de sous-tension (UVLO) de grille
- Homologation AEC-Q100
- Dispositif monocanal avec deux sorties de pilote de grille côté haut
- Prend en charge les topologies MOSFET dos-à-dos (drain commun et source commune)
- PRO-SIL™ prêt pour ISO 26262 pour la prise en charge de l'intégrateur dans l'évaluation des éléments matériels conformément à ISO 26262:2018 clause 8-13
- Protection réglable contre les surintensités/courts-circuits
- Comparateur polyvalent pour mettre en œuvre :
- Protection de fil I-t réglable
- Protection réglable contre les surtensions/sous-tensions
- Protection réglable contre la surchauffe
Caractéristiques techniques
- Abaissement 3 Ω, élévation 50 Ω pour allumage/arrêt rapide du commutateur
- Plage de tension d'entrée de 3 V à 58 V
- Courant de sortie de 0,175 A (source)
- Courant de sortie 1,4 A (dissipation)
- 4 µs de retard de propagation marche/arrêt
- Plage de température de jonction en fonctionnement de -40 °C à 150 °C
- Plage de température de stockage de -55 ºC à +150 ºC
Applications
- Alimentation électrique opérationnelle en panne ciblant les applications à courant élevé
- Commutateur de connexion/isolation entre les alimentations électriques
- Développé pour prendre en charge une alimentation électrique et une distribution électriques fiables
- Boîtier de distribution d'alimentation
- Commutateur de protection de sortie CC/CC
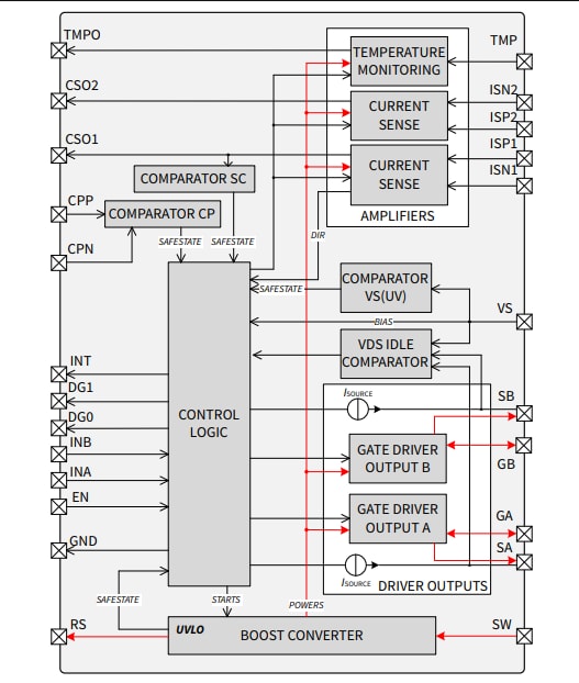
Schéma fonctionnel
Schéma de configuration des broches
Ressources supplémentaires
Publié le: 2022-08-23
| Mis à jour le: 2023-11-03
