Infineon Technologies Commandes de grilles haute tension EiceDRIVER™ 1ED21x7x 650 V
Les commandes de grilles EiceDRIVER™ 650 V côté haut 1ED21x7x Infineon Technologies sont conçues pour fournir un contrôle robuste et efficace des transistors de puissance haute tension. Ces commandes de grille présentent une architecture côté haut qui prend en charge une large gamme d'applications y compris les entraînements à moteur, les convertisseurs solaires et les alimentations électriques industrielles. Avec une tension maximum de 650 V, la série 1ED21x7x garantit un fonctionnement fiable dans des environnements exigeants. Les principales fonctionnalités comprennent des diodes d'amorçage intégrées, des capacités de commutation rapide et des mécanismes de protection complets tels que le verrouillage de sous-tension (UVLO) et la protection contre les surintensités. Ces attributs font de la série EiceDRIVER™ 1ED21x7x un choix idéal pour améliorer les performances et la fiabilité des systèmes d'alimentation haute tension.Caractéristiques
- Technologie à couche mince SOI Infineon
- Tension de blocage maximale de +650 V
- Courant de source/dissipateur de sortie ±4 A
- Tension d'alimentation maximale de 25 V
- Diode de bootstrap intégrée ultra-rapide, faible RDS(ON)
- Immunité VS transitoire négative de 100 V
- Détection de courant et de sous-tension d'alimentation
- RCIN multifonction/défaut/Enable (RFE) avec heure d'effacement des défauts programmable
- Retard de propagation inférieur à 100 ns
- Boîtier PG-DSO-8
- Certifié pour les applications industrielles conformément aux tests pertinents de la norme JEDEC47/20/22
- Conforme à la directive RoHS
Applications
- Entraînements à moteur, convertisseurs à usage général
- Chariots élévateurs
- Véhicules électriques légers
Caractéristiques techniques
- Tension d'alimentation maximale du puits flottant haute tension : 672 V
- Plage de tension résiduelle du puits flottant haute tension : de 0 V à 650 V
- Tension d'alimentation maximale du puits flottant haute tension : 22 V
- Tension d'alimentation maximale côté bas : 22 V
- Plage de tension d'E/S logique (HIN/RFE) : de 0 V à 5 V
- Décalage de l'alimentation du puits flottant côté haut de 5 µA maximum, fuite d'alimentation
- Courant d'alimentation VBS au repos de 350 µA maximum, 270 µA standard
- Courant d'alimentation VCC au repos de 400 µA maximum, 270 µA standard
- Chute de tension de sortie de niveau élevé de 0,46 V standard
- Chute de tension de sortie de niveau bas de 0,26 V standard
- Mise en marche du courant de sortie de pointe standard de 4 A
- Courant de polarisation d'entrée maximum de 1 µA à 50 µA
- Diode d'amorçage
- Plage de tension directe de 0,6 V à 1,1 V entre VCC et VB
- Courant direct standard de 71 mA entre VCC et VB
- Résistance maximale de 50 Ω, résistance standard de 35 Ω
- Plage de température ambiante de -40 °C à +125 V
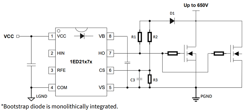
Application standard
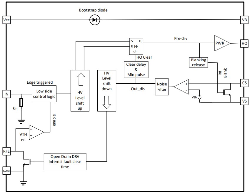
Schéma fonctionnel
Publié le: 2025-04-14
| Mis à jour le: 2025-04-21
