Infineon Technologies Modules IGB Fourpack 1 700 V
Les modules IGBT Fourpack 1 700 V Infineon Technologies sont des modules transistors bipolaires à grille isolée basés sur la technologie Trench/Fieldstop IGBT4. Les modules IGBT Fourpack 1 700 V disposent d’une diode contrôlée par émetteur à récupération progressive pour minimiser les pertes à l’allumage. Ces composants comprennent également une thermistance intégrée à coefficient de température négatif (NTC) pour de meilleures performances thermiques.Les modules IGBT Fourpack 1 700 V Infineon Technologies sont proposés en boîtiers EconoPACK™3 et EconoDual™3 avec une embase isolée pour une diffusion optimisée de la chaleur.
Caractéristiques
- Capteur de température NCT intégré
- Tension de saturation collecteur-émetteur (VCEsat) avec un coefficient de température positif
- Embase isolée
- Options de technologie de contact à brasage et PressFIT
- Tension collecteur-émetteur de 1 700 V (VCES)
- Stabilité CC élevée
- Capacité de court-circuit élevée
- Plage de température de jonction de fonctionnement de - 40°C à + 150°C (Tvjop)
Applications
- Chauffage et soudage industriels
- Entraînements et commande de moteur
- Traction
- Convertisseurs haute puissance
- Convertisseurs à tension moyenne
- Éoliennes
Fiche technique
- Boîtier EconoPACK 3
- F4-100R17N3E4 1 700 V, 100 A
- F4-150R17N3P4 1700 V, 150 A
- F4-200R17N3E4 1 700 V, 200 A
- Boîtier EconoDUAL 3
- F4-100R17ME4_B11 1700 V, 100 A
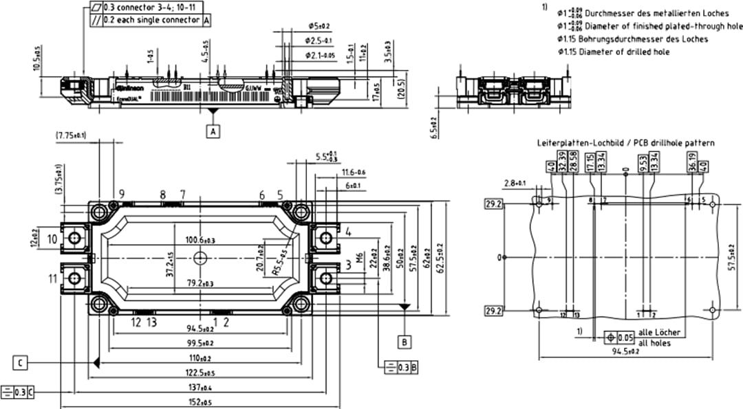
Profil du boîtier EconoDUAL 3
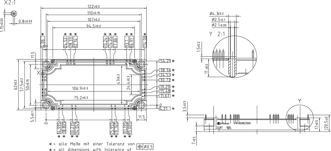
Profil du boîtier EconoPACK 3
Publié le: 2021-07-16
| Mis à jour le: 2023-09-05
