Infineon Technologies Émetteur de charge sans fil WLC1115
L'émetteur de chargement sans fil WLC1115 d'Infineon Technologies est un émetteur d'alimentation sans fil hautement intégré et conforme à la norme Qi, avec Power Delivery (PD) USB Type-C™ intégré. Le WLC1115 est conforme à la norme Qi v1.3.2 pour les applications 15 W et est conforme aux spécifications USB-PD 3.0. Le WLC1115 comprend des pilotes de grille intégrés pour les alimentations Buck et inverseurs qui sont nécessaires pour les applications d'émetteur sans fil. Le composant prend en charge une large plage de tension d'entrée et offre de nombreuses caractéristiques programmables pour créer des solutions d'émetteur sans fil distinctes.Le WLC1115 est un émetteur de puissance sans fil hautement programmable et une solution de dissipation USB-PD intégrée avec un processeur Arm® Cortex®-M0 32 bits sur puce, 128 ko de mémoire flash, 16 ko de RAM et 32 ko de ROM qui permet la plupart des mémoires Flash disponibles pour une utilisation par l'utilisateur. Le composant comprend également divers périphériques analogiques et numériques, tels qu'un convertisseur analogique-numérique (CAN), des MIL et des minuteurs. L'inclusion d'un MCU entièrement programmable avec des périphériques analogiques et numériques permet des solutions de charge sans fil multi-bobines évolutives pour les conceptions d'émetteur de positionnement gratuit.
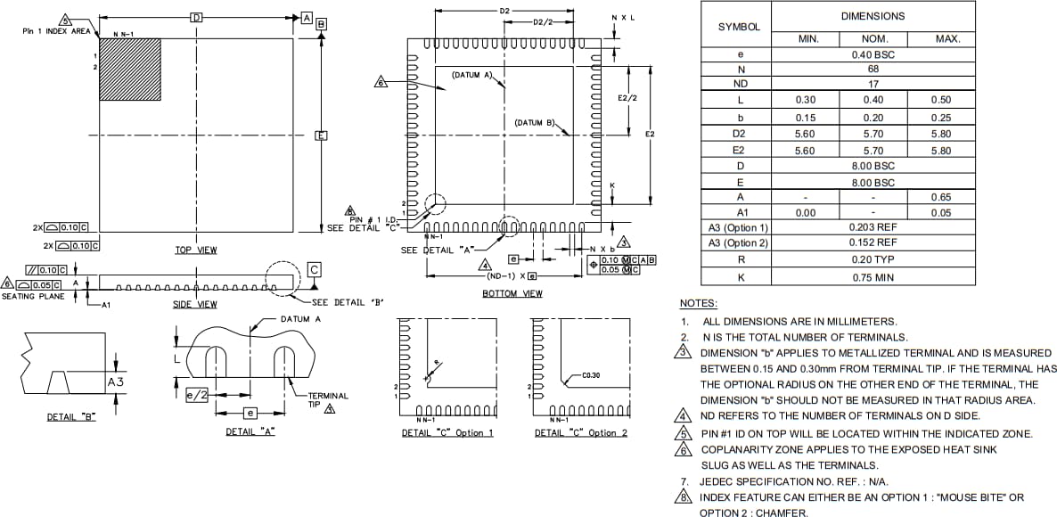
L'émetteur de charge sans fil WLC1115 d'Infineon Technologies est logé dans un boîtier QFN-68 de 8,0 mm x 8,0 mm avec un tampon exposé pour une performance thermique améliorée.
Caractéristiques
- Émetteur conforme Qi 3.x (bobine MP-A11)
- Contrôleur USB-PD intégré
- Prise en charge de la version USB-PD 3.0
- Mode d'alimentation programmable (PPS)
- Prise en charge des anciens protocoles de chargement USB-PD tels que QC 2.0, 3.0 et AFC
- Contrôleur de convertisseur Buck intégré pour VBRIDGE (VBRG)
- Pilotes de grille intégrés pour convertisseur Buck et onduleur
- Détection de facteur Q intégrée
- Modulateur FSK intégré
- Large plage de tension d'entrée de 5 V à 24 V
- Ports de communication I2C et UART
- Protection contre les surintensités (OCP)
- Protection contre les surtensions (OVP)
- Prend en charge la protection contre la surchauffe via un circuit CAN intégré et un capteur de température interne
- Plage de température industrielle étendue de -40 °C à +105 °C
- Boîtier QFN-68 8,0 mm x 8,0 mm x 0,65 mm
Applications
- Pastilles de charge sans fil pour profil de puissance étendu (EPP) (15 W) et profil de puissance de base (BPP) (5 W)
- Haut-parleurs intelligents
- Accessoires portables
- Mobilier et articles domestiques
- Stations d'accueil
- Prise en charge de charge à haute vitesse
Schéma de principe logique
Circuit d'application standard
Profil de boîtier
