Harwin Connecteurs Throuhboard Datamate PIHR
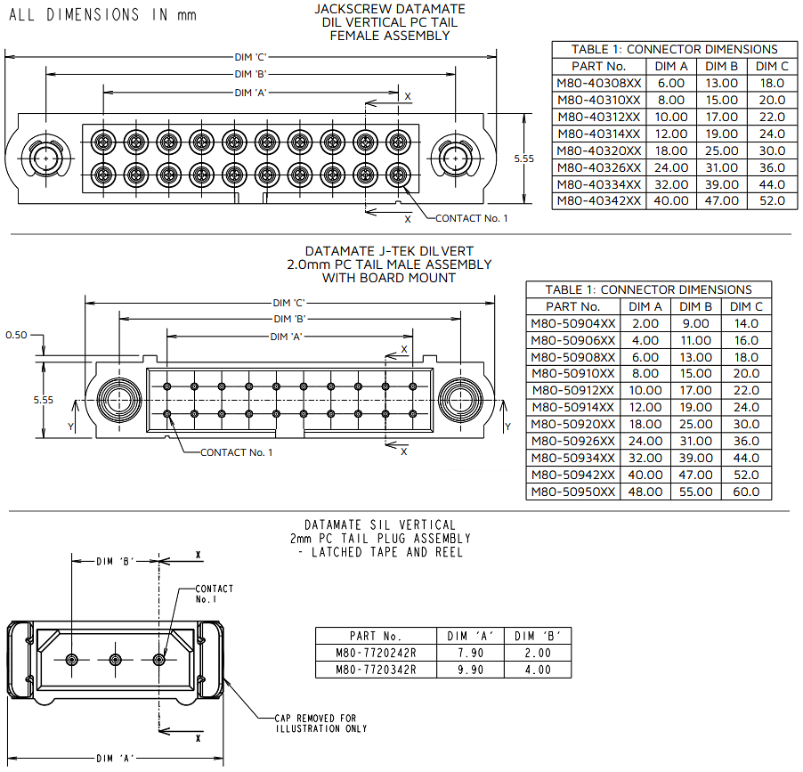
Les connecteurs traversants Datamate Pin-in-Hole Reflow (PIHR) Harwin sont disponibles en deux variantes : 2 à 1 rangée 3-position avec un format de fixation sécurisé à loquet (L-Tek) et 4 à 2 rangées 50-position avec une fixation robuste à vis de serrage (J-Tek). Ces connecteurs sont conçus avec des contacts résilients et à basse fréquence, optimisés pour une intégrité de signal fiable. Le contacts compatible PIHR permet des processus d'assemblage automatisés par refusion via la carte sans compromettre la rétention mécanique du PCB. Les caractéristiques supplémentaires comprennent un boîtier UL 94V-0 ignifuge rempli de verre et des vis de calage en acier inoxydable pour une durabilité amélioré en cas de vibrations et de températures extrêmes. Les connecteurs Harwin PIHR sont idéaux pour les applications aérospatiales pétrolières et gazières, militaires et robotiques.Caractéristiques
- Conception à cosse courte
- Format Jackscrew
- Contacteurs LF disponibles
- 2 à 50 positions
- En rang simple ou double
- Moulage chargé de verre, UL 94V-0
Applications
- Aérospatiale
- Aviation
- Robotique
- Pétrole et gaz
- Sports automobile
- Militaire
- Véhicules pour environnements difficiles
Dimensions
Accessoires
Publié le: 2025-05-13
| Mis à jour le: 2025-08-08
