HALO Electronics 10GBASE-T Ethernet Transformers
HALO Electronics 10GBASE-T Ethernet Transformers are SMD 24-Pin single port isolation modules available only in data or with PoE. These transformers are available in 4 Pair Power over Ethernet (4PPoE) and IEEE802.3an/af/at/bt2 compliant options. The 10GBASE-T transformers also offer higher power variants.Features
- 10GBASE-T Ethernet transformer/CMR choke
- IEEE802.3an/af/at/bt2 compliant options
- 4PPoE - 4 Pair power over Ethernet available
- UL/EN60950 recognized
- 100% electrical testing
- 1500VRMS hi-pot
- Patented open frame construction
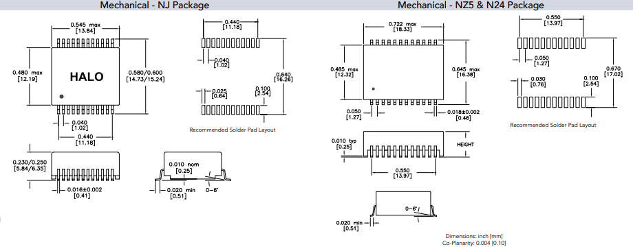
10GBASE-T Transformers Mechanical Drawing
Publié le: 2018-09-26
| Mis à jour le: 2022-08-23
