Everspin Technologies MR5A16A 32Mb Toggle MRAM
Everspin Technologies MR5A16A 32Mb Toggle Magnetoresistive Random Access Memory (MRAM) is a 33,554,432-bit device organized as 2,097,152 words of 16 bits. The MR5A16A series provides SRAM-compatible 35ns read/write timing (45ns for automotive temperature option) with unlimited endurance. Data is always non-volatile for >20 years at temperature and is automatically protected. To simplify fault-tolerant design, the MRAM modules feature an internal single-bit error correction code with 7 ECC parity bits for every 64 data bits. The series is available in a small footprint, 48-pin ball grid array (BGA) package, and a 54-pin thin small outline package (TSOP type 2). These packages are compatible with similar low-power SRAM products and other nonvolatile RAM products.Everspin MR5A16A 32Mb Toggle MRAM provides highly reliable data storage over a wide range of temperatures: commercial (0°C to +70°C), industrial (-40°C to +85°C), and automotive (-40°C to +125°C).
Features
- +3.3V power supply
- Fast 35ns read/write cycle (45ns for automotive temperature range)
- SRAM compatible timing
- Unlimited read and write endurance
- Data always non-volatile for >20 years at temperature
- Improves reliability by replacing battery-backed SRAM
- Commercial, industrial, and automotive temperature ranges available
- One memory replaces FLASH, SRAM, EEPROM, NVSRAM, and BBSRAM in systems for simpler, more efficient designs
- Moisture sensitivity level (MSL) 3
- RoHS-compliant small footprint, 48-pin BGA and TSOP2 package
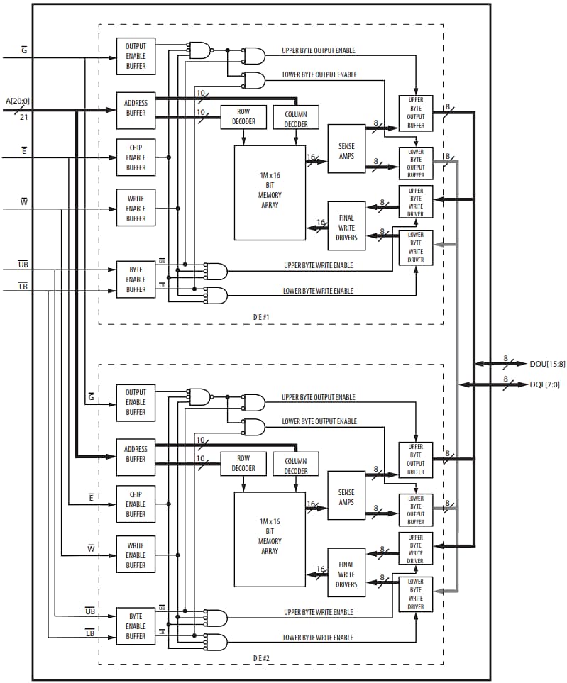
Block Diagram
Publié le: 2019-12-17
| Mis à jour le: 2023-10-13
