Littelfuse Relais statique CPC2501M
Le relais statique CPC2501M de Littelfuse intègre un commutateur de relais à semi-conducteurs normalement fermé (1-Form-B) avec un circuit intégré. Ce circuit est spécifiquement conçu contrôler et gérer l'état du relais basé sur la tension appliquée. Le CPC2501M devient un relais statique auto-actionné et non isolé qui fournit une fonction de contournement du carillon de sonnerie pour assurer le bon fonctionnement de la vidéo et du carillon pendant la configuration de la sonnette vidéo. De plus, le relais offre une gestion de puissance supérieure à 2,5 W, un temps de réponse rapide de 170 µ, une protection par défaut de la circuiterie et un courant de charge continu de 1,84 A. Le relais statique CPC2501M est utilisé dans des applications telles que le contournement de la sonnette de porte, l'automatisation des bâtiments, l'Internet des objets (IoT), la sécurité et le relais commandé par tension.Caractéristiques
- Relais 1-Form-B (normalement fermé)
- Circuiterie de contrôle interne :
- Auto-actionnement
- Minuteur de protection contre les défauts
- Résistance maximale de 600 mW à 25 °C
- Tension de charge CA ou CC de crête de 60 V
- Courant de charge :
- 1,84 ARMS en continu
- 5 A de crête
- Mise sous tension rapide maximale de 170 μs
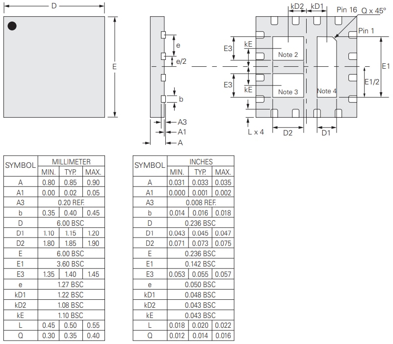
- Petit boîtier QFN de 6 mm x 6 mm amélioré thermiquement
Applications
- Sonnette vidéo
- Contournement de la sonnerie de porte
- Automatisation des bâtiments
- IoT (Internet des objets)
- Sécurité
- Relais commandé par tension
Circuit d'application de sonnette vidéo standard
Schéma fonctionnel
Dimensions mécaniques
Publié le: 2025-05-02
| Mis à jour le: 2025-05-22
