Diodes Incorporated Multiplexeur d’horloge à 2 entrées PI6CB332202/PI6CB332204
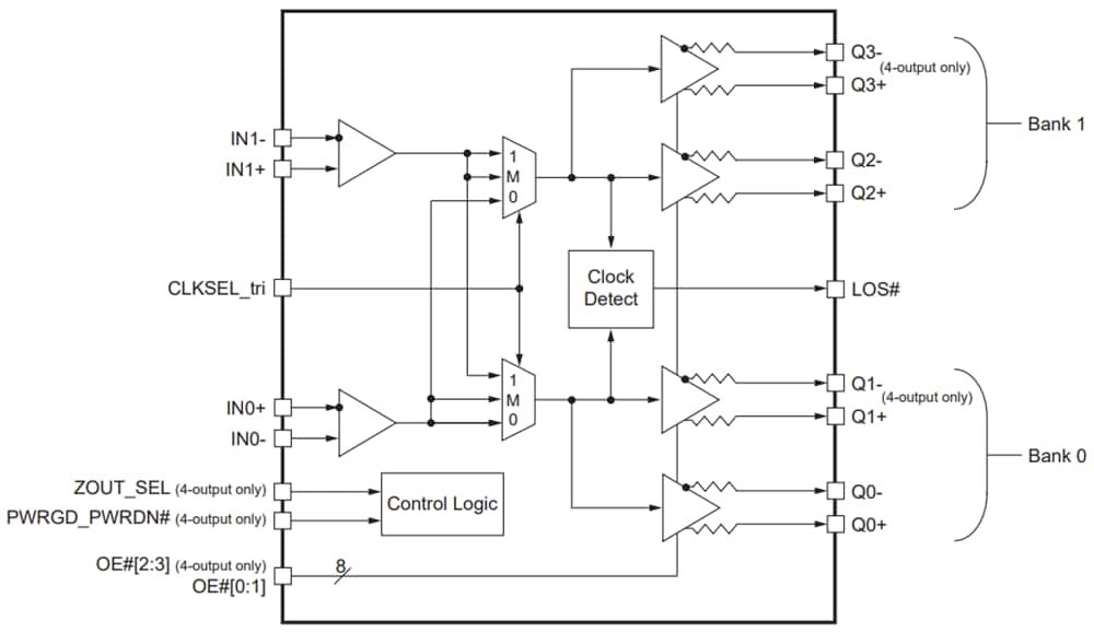
Le multiplexeur d'horloge 2 entrées PI6CB332202/PI6CB332204 de Diodes Inc. est un dispositif faible puissance pour les applications PCIe 5.0/6.0. Il nécessite deux entrées de référence pour distribuer deux/quatre sorties HCSL différentielles à faible puissance jusqu'à 400 MHz, avec des terminaisons sur puce pour une impédance de sortie de 85 Ω ou 100 Ω. Une broche OE individuelle est fournie pour chaque sortie, facilitant ainsi une meilleure gestion de l'alimentation. Le PI6CB332202/PI6CB332204 de Diodes Inc. prend également en charge une entrée tolérant la mise hors tension (PDT), le verrouillage automatique de la sortie d’horloge en cas de perte des fonctionnalités d’horloge d’entrée et de séquençage de démarrage flexibles.Caractéristiques
- Multiplexeur à 2 entrées et à sorties HCSL de faible puissance 2x/4x, prenant en charge une terminaison sur puces
- Impédance de sortie sélectionnable par broche de 85 Ω ou 100 Ω
- Tolérant à l'étalement du spectre
- Activation de sortie individuelle
- Entrées tolérantes à la mise hors tension
- Séquençage de démarrage flexible de l’alimentation électrique
- Verrouillage automatique de l’horloge de sortie en cas de perte de l’horloge d’entrée
- Gigue de phase additive
- PCIe 5.0 - RMS standard 6fs
- PCIe 6.0 - RMS standard 4fs
- DB2000QL -10fs RMS standard
- Tension d'alimentation de 3,3 V
- Boîtiers
- 28 broches, 4 mm x 4 mm, VQFN (ZLF) (4 sorties) (PI6CB332204)
- 20 broches, 3 mm x 3 mm, WQFN (ZNA) (2 sorties) (PI6CB332202)
- Sans plomb et sans halogénure (Conforme à la directive RoHS)
- Dispositif vert sans halogène ni antimoine
- Pour des applications automobiles nécessitant un contrôle spécifique de modification (c.-à-d. des pièces qualifiées selon l'AEC-Q100/101/104/200, à compatibilité PHPP et fabriquées dans des installations certifiées IATF 16949)
Applications
- Centres de données et serveurs
- Systèmes de stockage
- Équipement de réseaux
- Électronique automobile
Ressources
Schéma fonctionnel
Publié le: 2025-10-07
| Mis à jour le: 2025-11-13
