Diodes Incorporated Redresseur à récupération rapide passivé au verre DTH1006P5
Le redresseur à récupération rapide passivé par du verre DTH1006P5 de Diodes Inc. est un redresseur de tension inverse répétitive de crête de 600 V (VRRM) en boîtier PowerDI® 5 thermiquement efficace. Le dispositif présente un courant de sortie moyen redressé de 10 A (IO) et un courant de surtension non répétitif de crête de 120 A (IFSM). Sa tension directe maximale (VF) vaut 1,35 V. Le DTH1006P5 de Diodes Inc. offre une capacité élevée de courant de surtension, un faible courant de fuite et un temps de récupération rapide en tension inverse.Caractéristiques
- Construction de die avec passivation en verre pour une haute fiabilité
- chute de tension low-forward
- Capacité de commutation douce et hyper-rapide
- Finition sans plomb et conforme à la directive RoHS
- Le grand dissipateur thermique exposé sur la face inférieure du dispositif fournit une bonne dissipation thermique pour prendre en charge la dissipation de haute puissance
- Dispositif vert sans halogène ni antimoine
Caractéristiques techniques
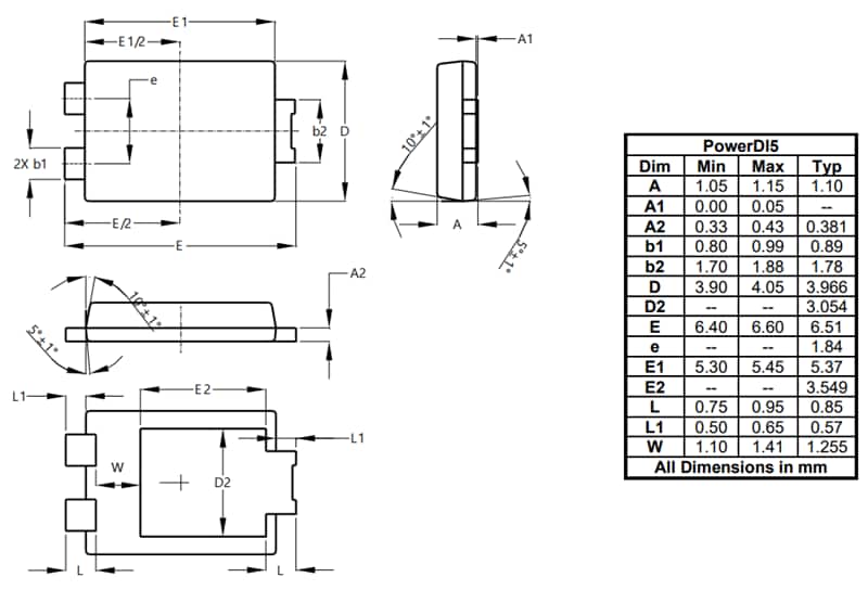
- Boîtier PowerDI5
- Matériau d'emballage en plastique moulé avec un composé de moulage vert et une classification de classement de l'inflammabilité UL 94V-0
- Niveau de sensibilité à l'humidité (MSL) 1 selon J-STD-020
- Finition mate recuite sur borne à cadre conducteur en cuivre et soudable selon la norme MIL-STD-202, Méthode 208.
- Poids : 0,096 grammes (environ)
Schéma du circuit
Profil de boîtier
Publié le: 2025-09-23
| Mis à jour le: 2025-10-13
