Diodes Incorporated Contrôleur Buck synchrone APK43070
Le contrôleur Buck synchrone (SBC) APK43070 de Diodes Inc. est doté d'un contrôleur de source USB Type-C® PD 3.1 pour prendre en charge la plage de puissance standard (SPR) / l'alimentation électrique programmable (PPS) jusqu'à 21 V et la plage de puissance étendue (EPR) / l'alimentation à tension réglable (AVS) jusqu'à 28 V. Il est destiné aux fournisseurs d’alimentation CC et contrôle les applications de chargement à partir d’un seul accès ou de plusieurs accès.Le contrôleur Buck compact dans APK43070 est un contrôleur abaisseur synchrone à fréquence constante avec une capacité de conduite élevée, un temps mort optimisé et une tension de grille de conduite élevée, conçu pour couvrir un chargement de moyenne et haute puissance. Il est doté de pilotes intégrés pour les N-MOSFET externes. Pour améliorer encore l’efficacité énergétique du convertisseur, le mode de passage direct de l’alimentation CC VIN est pris en charge.
L'APK43070 de Diodes Inc. intègre les fonctions de décodeur SBC/PD3.1, ce qui se traduit par une petite empreinte et une taille réduite du PCB pour des applications de charge à haute densité de puissance. En tirant parti des commutateurs MOS de la régulation synchrone à découpage, le commutateur MOS de sortie PD pour chaque accès peut être économisé, ce qui réduit le coût de la nomenclature (BOM).
Pour prendre en charge une efficacité énergétique plus élevée, une consommation d’énergie en mode veille extrêmement faible et un partage intelligent de l’énergie pour des applications à accès multiples sans avoir besoin d’un microcontrôleur (MCU) externe, l’APK43070 intègre une interface I2C, un schéma d’adressage maître/esclave et un mécanisme d’interruption/réveil. Jusqu'à huit adresses d'accès sont prises en charge via la sélection de résistance.
Grâce à un processus haute tension, l'APK43070 présente une protection contre les courts-circuits VBUS sur les broches CC1/CC2 jusqu'à 30 V. De plus, l'APK43070 présente une protection de sécurité complète, notamment une protection contre les surtensions (OVP), une protection contre les surintensités (OCP), une protection contre les surchauffes (OTP) et une détection d'humidité du connecteur.
Caractéristiques
- Contrôleur Buck mono-composant avec contrôleur de source USB Type-C PD3.1
- Prend en charge USB PD3.1 EPR/AVS jusqu’à 28 V, SPR/PPS jusqu’à 21 V
- Fréquences de commutation en fonctionnement configurables de 125 kHz/250 kHz/400 kHz via GPIO3
- Prend en charge le partage de puissance via I2C
- Prend en charge un rapport cyclique MLI élevé jusqu'à 95 % à 125 kHz/90 % à 400 kHz
- Plage de tension d'entrée de fonctionnement de 4 à 36 V
- Prend en charge le mode de contournement pour améliorer le rendement de puissance de sortie
- Tramage fréquentiel pour la limitation des EMI
- Prend en charge les anciennes versions BC1.2 et QC3.0/4/4+/5.0
- Prend en charge l'OTP externe par broche TS
- Prend en charge une topologie basée sur I2C sur jusqu'à huit accès sans microcontrôleur (MCU) externe
- Prend en charge jusqu'à huit adresses I2C et est attribué par GPIO1
- Prend en charge les profils PDO sélectionnés par GPIO2
- Prend en charge une consommation extrêmement faible en mode veille (<120 µa) avec="">120 µa)>
- Prend en charge des schémas de protection complets (OVP, UVP, OCP et OTP), ainsi que la détection d'humidité du connecteur avec auto-récupération
- Protection contre les courts-circuits VBUS sur les broches CC1/CC2 et DP/DN jusqu'à 30 V
- Sans plomb et sans halogénure (Conforme à la directive RoHS)
- Dispositif vert sans halogène ni antimoine
- Pour les applications automobiles nécessitant un contrôle de modification spécifique (c’est-à-dire des pièces qualifiées selon AEC-Q100/101/104/200, capables de PHPP et fabriquées dans des installations certifiées IATF 16949)
Applications
- Adaptateurs, multiprises, concentrateurs de puissance ou chargeurs SPR et EPR Type-C PD3.1 à plusieurs ports et à consommation d’énergie extrêmement faible en mode veille.
- Chargeurs SPR et EPR Type-C PD3.1 pour applications de chargement à usage général
- Chargement SPR et EPR Type-C PD3.1 pour batteries haute tension des générateurs extérieurs portables
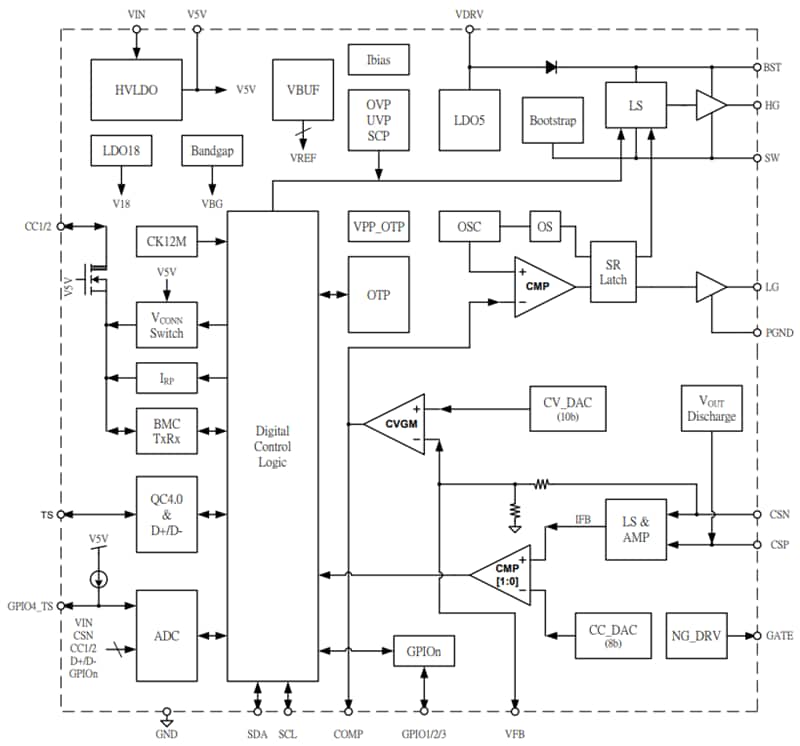
Schéma fonctionnel
