Diodes Incorporated Décalage de niveau d'interface de carte SIM PI4ULS3V4103
Le décalage de niveau d'interface de carte SIM PI4ULS3V4103 de Diodes Incorporated fournit la conversion d'énergie et la conversion du niveau de signal nécessaires pour les téléphones cellulaires avancés afin de s'interfacer avec les modules d'identité d'abonné (SIM) 1,8 V et 3,0 V. Le PI4ULS3V4103 satisfait toutes les exigences pour les SIM 1,8 V ou 3 V. Les convertisseurs de niveau internes permettent aux contrôleurs fonctionnant avec des alimentations pouvant descendre à 1,2 V pour s'interfacer avec les cartes intelligentes 1,8 V ou 3,0 V.Le convertisseur de niveau d'interface de carte SIM PI4ULS3V4103 de Diodes Incorporated est logé dans un minuscule boîtier X1QFN (XEA) de 1,4 mm x 1,8 mm à 10 contacts.
Caractéristiques
- Plage de tension de la carte SIM : de 1,65 V à 3,6 V
- Plage de tension de l'hôte : de 1,1 V à 2,0 V
- Conversion automatique du niveau d'entrée
- Faible courant de fonctionnement et d'arrêt
- ESD HBM 8 kV pour broches de carte SIM
- ESD HBM de 2 kV sur toutes les autres broches
- Satisfait les exigences de tolérance aux défaillances EMV
- Température de fonctionnement ambiante de -40 °C à +85 °C
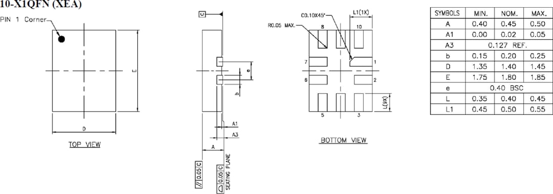
- Boîtier X1QFN (XEA) (10 contacts, 1,4 mm x 1,8 mm
- Totalement sans plomb et conforme à la directive RoHS
- Composant « vert » sans halogène ni antimoine
Applications
- GSM, TD-SCDMA
- Terminaux point de vente sans fil
- Interfaces de carte SIM multiples
Circuit d'application standard
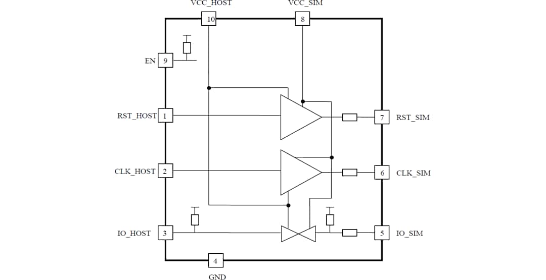
Schéma de principe
Profil de boîtier
Publié le: 2022-06-29
| Mis à jour le: 2022-11-03
