Diodes Incorporated Extension d'E/S 8 bits PI4IOE5V9554
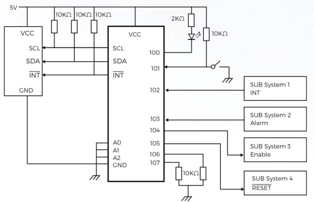
L’extension d’E/S de 8 bits PI4IOE5V9554 de Diodes Incorporated est un dispositif CMOS à 16 broches qui fournit une extension d’entrée/sortie à usage général (GPIO) parallèle. Cette extension intègre un registre de configuration de 8 bits (sélection d’entrée ou de sortie) et un registre de port d’entrée de 8 bits. L'extension PI4IOE5V9554 comprend également un registre de port de sortie 8 bits et un registre d'inversion de polarité 8 bits (fonctionnement actif HAUT ou actif BAS). Cette extension dispose d’une capacité de pilotage élevée, d’une tolérance E/S de 5 V, d’un faible courant d’alimentation, d’une configuration E/S individuelle, d’une fréquence d’horloge de 400 kHz et d’un petit boîtier. L’extension PI4IOE5V9554 offre un filtre de bruit sur les entrées SCL/SDA, aucun problème à la mise sous tension et une réinitialisation interne à la mise sous tension. Cette extension fournit une solution simple lorsque des E/S supplémentaires sont nécessaires pour les commutateurs d’alimentation ACPI, capteurs, boutons-poussoirs, LED et ventilateurs.Caractéristiques
- GPIO à 8 bits I2C-Bus avec interruption et réinitialisation
- E/S tolérantes à 5 V
- Registre d'inversion de polarité
- Actif BAS interrompt le courant
- Faible consommation de courant
- Gamme de fréquences : de 0 kHz à 400 kHz
- Filtre de bruit sur les entrées SCL/SDA
- Réinitialisation à la mise sous tension
- Protection DES (HBM 4 kV et CDM 1 kV)
- Boîtiers
- SOIC-16
- TSSOP-16
- TQFN 3 x 3 - 16
- TQFN 4 x 4 - 16
Applications
- Serveur
- Applications réseaux
- Télécommunications
- Ordinateurs portables
- Télévision
Schéma fonctionnel
Schéma de circuit d'application standard
Ressource supplémentaire
Publié le: 2020-05-15
| Mis à jour le: 2024-07-31
