Diodes Incorporated PAM8009 3W Stereo Class-D Audio Amplifiers
Diodes Inc. PAM8009 3W Stereo Class-D Audio Amplifiers are designed for driving bridged-tied (BTL) stereo speakers. Included is a stereo SE (Headphone) amplifier. The PAM8009 is packaged in two power efficient packages and provides excellent audio performance and numerous features to provide complete system flexibility. Advanced DC volume control minimizes required external components and allows precise volume control with 64 steps over the range of +20dB to -60dB. Mute and standby modes are provided to reduce noise or to minimize power.Features
- 2.8V ~ 5.5V Operating voltage
- Filter - free and low EMI
- Low quiescent current
- IDD=7mA @ VDD= 5V
- 64 Steps DC volume control from -80dB to +20dB by DC voltage with hysteresis
- Power limit function
- Disable: 0.45VDD ~ VDD
- Max. power: GND
- UVP Function
- Disable: floating
- Output power @ THD+N=1%
- BTL Mode
- VDD=5V, Rl=4Ω; Po=2.4W
- VDD=5V, Rl=8Ω; Po=1.4W
- SE Mode
- VDD=5V, Rl=32Ω; Po=60mW
- Output Power @ THD+N = 10%
- BTL Mode
- VDD=5V, Rl=4Ω; Po=3.0W
- VDD=5V, Rl=8Ω; Po=1.7W
- Input signal and headphone output signal in phase
- Thermal and over-current protections with auto-recovery
- Power enhance package SO-24 and U-QFN4040-20
- Lead free and green devices available (RoHS compliant)
Applications
- LCD Monitor / projects
- Projects / all-in-one computers
- Portable speakers
- Portable DVD player / game machines
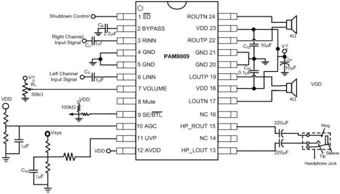
Schematic Diagram
Publié le: 2015-02-25
| Mis à jour le: 2022-03-11
