Diodes Incorporated Pilote de moteur à CC à balais ZXBM5408Q avec contrôle servomoteur
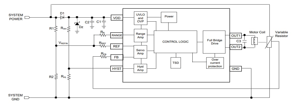
Le pilote de moteur CC à balais ZXBM5408Q de Diodes Incorporated avec contrôle servomoteur est un pilote à pont en H protégé conçu pour les applications automobiles de commande manuelle de faisceau de phare et de commande de servomoteur industriel avec des charges de moteur à balais CC. L'étage de sortie ZXBM5408Q intégré est constitué de MOSFET à pont en H à courant élevé et faible RDS(on) pour maximiser l'efficacité. Le pilote intègre des références internes à compensation de tension et de température, des amplificateurs et des commutateurs de puissance à pont en H de sortie avec un faible RDS(on). Cette intégration simplifie la conception du circuit et minimise les composants externes. Le pilote ZXBM5408Q offre de la flexibilité avec servocommande directe et hystérésis inverse, bande morte et amplification d'angle facilement programmables par des résistances externes.Le pilote de moteur CC à balais ZXBM5408Q de Diodes Inc fournit une protection contre les défauts pour aider à protéger la bobine du moteur, par exemple entrée RANGE court-circuitée vers GND, la tension de court-circuit vers l'alimentation ou des fils cassés, tout en arrêtant le moteur et en déconnectant l'étage de sortie.
En cas de sous-tension et de surtension d'alimentation, le ZXBM5408Q arrête le pilote de sortie pour aider à éviter les contraintes de surtension sur la bobine. La protection contre les surintensités surveille le courant de sortie et ferme l'étage de sortie avec une nouvelle tentative périodique pour aider à protéger la bobine contre le grillage du dispositif. De plus, l'arrêt en cas de surchauffe permet une protection thermique pour le pilote.
Le ZXBM5408Q est logé dans les boîtiers PDIP-8 (type A1) et SO-14 (type A1) aux normes de l'industrie. Le pilote est qualifié pour AEC-Q100 classe 1 et est conforme à la norme automobile, prenant en charge les PPAP.
Caractéristiques
- Pilote de servomoteur CC
- Plage de tension d'exploitation large : de 8 V à 18 V
- Pont en H intégré avec faible résistance RDSON
- Capacité de courant de glissement en sortie de 0,8 A (courant de crête de 1,5 A)
- Protection contre les défaillances — Court-circuit de RANGE à GND, alimentation ou fils cassés
- Arrêt de surtension et de sous-tension
- Protection contre les surintensités
- Protection thermique
- Moulage vert en boîtiers PDIP-8 (type A1) et SO-14 (type A1)
- Totalement sans plomb et conforme à la directive RoHS
- Composant « vert » sans halogène ni antimoine
Applications
- Servomoteur de position de phare automobile
- Servomoteurs CC 8 V/12 V/18 V
Application standard
Schéma fonctionnel
Affectations des broches
