Diodes Incorporated Isolateurs numériques double canal API772X
Les isolateurs numériques double canal API772X de Diodes Incorporated sont des isolateurs numériques haute performance qui offrent 5 000 VRMS dans un boîtier SO-8W (type CJ) selon la norme UL 1577. Ces isolateurs numériques fonctionnent à un débit de données de 100 Mbits/s,une plage de tension d'alimentation de 2,5 V à 5,5 V, une immunité transitoire en mode commun (CMTI) de ±150 kV/μs et un faible délai de propagation standard de 11 ns. Les isolateurs numériques API772X intègrent des entrées de seuil CMOS, une logique de sortie par défaut sélectionnable (haute ou basse), des configurations de direction de canal et consomment une faible puissance. Ces isolateurs numériques sont conformes à ladirective RoHS sans plomb et aux certifications de sécurité VDE, UL et CQC. Les isolateurs numériques API772X sont idéaux pour les convertisseurs solaires, les commandes de moteur, les automatisations industrielles, l'alimentation dans les centres de données/équipements de télécommunications, la grille et les compteurs électriques.Caractéristiques
- Débit de données de 100 Mbps
- Plage de tension d'alimentation de 2,5 V à 5,5 V
- CMTI minimum de ±150 kV/μs
- Entrées à seuil CMOS
- Options de sortie par défaut haute (API772X) et basse (API772XF)
- Faible consommation d’énergie, 2,1 mA par canal en moyenne à 1 Mbps
- Délai de propagation faible standard de 11 ns
- Certifications liées à la sécurité :
- Isolation de 8 000 VPK (SO-8W (Type CJ)) selon DIN VDE 0884-17:2021-10
- Isolation de 5 000 VRMS (SO-8W (Type CJ)) pendant 1 minute selon UL 1577
- Certification CQC selon GB 4943.1-2022
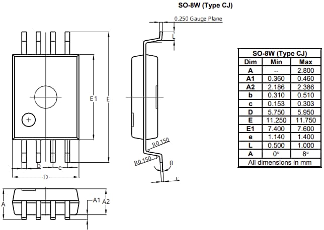
- Boîtier SO-8W (type CJ)
- Plage de température de fonctionnement de -40 à 125 °C
- Totalement sans plomb
- Entièrement conforme à la directive RoHS
Applications
- Inverseurs solaires
- Commandes de moteur
- Automatisation industrielle
- Alimentation dans les centres de données/équipements de télécommunications
- Réseaux, compteurs électriques
Schéma de circuit d’application standard
Schéma de principe interne
Courbes de caractéristiques d'isolation
Dimensions
Ressources supplémentaires
Publié le: 2025-11-19
| Mis à jour le: 2026-01-27
