Diodes Incorporated Régulateurs ULDO à faible bruit AP7372
Les régulateurs ULDO à faible bruit AP7372 de Diodes Incorporated sont conçus pour offrir une performance exceptionnelle dans les applications sensibles au bruit. Fonctionnant de 2,7 V à 20 V et fournissant un courant de sortie jusqu'à 200 mA, ces régulateurs présentent une réjection haute puissance de 90 dB à 10 kHz assurant une exploitation stable dans les circuits analogiques à haute performance et à signaux mixtes. Avec un bruit de sortie de seulement 8 μVRMS, indépendamment des options de tension de sortie fixe (1,8 V, 2,5 V, 3,3 V et 5 0 V), le AP7372 atteint une excellente réponse transitoire de ligne et de charge. De plus, le dispositif offre une caractéristique de démarrage progressif programmable, une tension de relâchement de 120 mV à 200 mA et il est stable avec un condensateur de sortie céramique de 2,2 μF. Ces caractéristiques rendent le AP7372 idéal pour les applications tels que les circuits CAN et CNA, les amplificateurs de précision et l'alimentation pour les contrôles VCO VTUNE.Caractéristiques
- Bruit de 8 μVRMS faible, indépendant de la tension de sortie fixe
- PSRR élevé
- De 90 dB à 10 kHz
- De 70 dB à 100 kHz
- De 52 dB à 1 MHz
- Plage de tension d'entrée de 2,7 V à 20 V
- Courant de sortie maximal de 200 mA
- Précision élevée de la tension de sortie de ±0,8 %
- Précision de la ligne, de la charge et de la température de ±1,8 %, plage de -40 °C à +125 °C
- Faible tension de relâchement de 120 mV à IOUT = 200 mA standard
- Démarrage progressif programmable par l'utilisateur
- Courant de repos standard de 66 μA
- Courant d'arrêt faible
- 3,1 μA à VIN = 5 V
- 3,3 μA à VIN = 20 V
- Stable avec un condensateur de sortie céramique de 2,2 μF
- Sortie réglable de 1,2 V à VIN– VDO, la sortie peut être réglée au-dessus du point de consigne initial
- Bornes
- Finition NiPdAu sur les fils en cuivre
- Soudable selon la norme MIL-STD-202, méthode 208
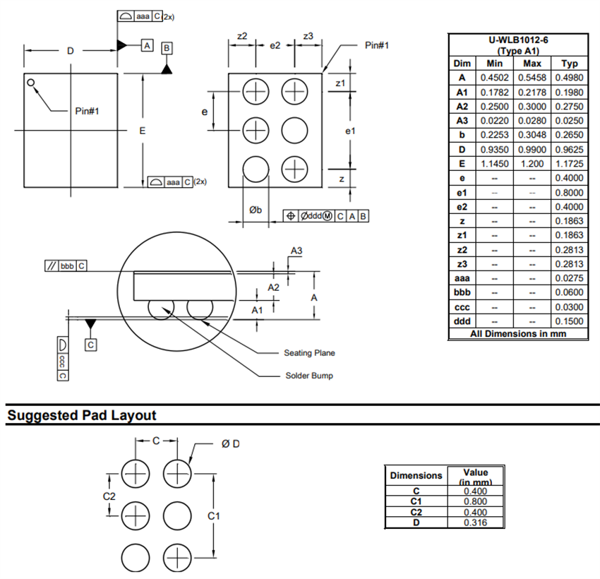
- Boîtier U-WLB1012-6 (type A1)
- Niveau de sensibilité à l'humidité (MSL) 1 selon J-STD-020
- Totalement sans plomb et conforme à la directive RoHS
- Dispositif « vert », sans halogène ni antimoine
Applications
- Régulation des applications sensibles au bruit
- Circuits CAN et CNA
- Amplificateurs de précision
- Alimentation pour les contrôles VCO VTUNE
- Communications et infrastructures
- Médecine et santé
- Industrie et instrumentation
Ressources supplémentaires
Application standard
Schéma fonctionnel
Dimensions
Publié le: 2025-04-21
| Mis à jour le: 2025-07-31
