Diodes Incorporated Convertisseur Buck CC-CC synchrone AP66300
Le convertisseur Buck CC-CC synchrone AP66300 de Diodes Incorporated est un composant à fréquence de commutation réglable et compensé en interne avec une fréquence interne par défaut de 500 kHz. L'AP66300 entièrement intégré fournit une conversion CC-CC abaissée à haut rendement utilisant un MOSFET de puissance côté haut de 120 mΩ et un MOSFET de puissance côté bas de 55 mΩ. L'AP66300 permet un courant de charge continu (jusqu'à 3 A) avec un rendement pouvant atteindre 95 % en polarisation améliorée. Un fonctionnement de contrôle du mode courant permet une stabilisation de boucle facile tout en prenant en charge une large plage de sortie de charge capacitive. L'AP66300 est disponible en boîtier U-QFN4040-16/SWP (type UXB) vert standard.Caractéristiques
- Plage d'entrée de 3,8 V à 60 V
- Puissance de sortie continue de 3 A
- Tension de sortie réglable de 0,8 V à 50 V
- Mode efficacité amélioré avec polarisation
- Fréquence de commutation réglable, 500 kHz par défaut
- Démarrage avec sortie pré-polarisée
- Démarrage progressif externe avec suivi
- Séquentiel, ratiométrique ou absolu
- Démarrage progressif interne par défaut de 2 ms
- Broche d'activation avec une tolérance de 5 %
- Décharge progressive
- Détection de bonne alimentation de ±5 % avec une résistance d'élévation interne
- Protection contre les surtensions et les sous-tensions
- Protection contre les surintensités (OCP) avec hoquet
- Protection thermique
- Boîtier U-QFN4040-16/SWP (type UXB) vert
- Sans plomb et conforme à la directive RoHS
- Composant « vert » sans halogène ni antimoine
Applications
- Conversion d'énergie CC/CC au point de charge à usage général
- Systèmes de télécommunications
- Alimentations distribuées
- Appareils audio domestiques
- Produits électroniques grand public
- Systèmes réseau
- Alimentations FPGA, DSP et ASIC
- Électronique verte
Caractéristiques techniques
- Courant d'alimentation d'arrêt standard de 2,2 µA, 6,0 µA maximum
- Courant d'alimentation de repos standard de 43 µA, 63 µA maximum
- Courant de fuite de commutateur maximal de 1 µA
- Période de démarrage progressif standard de 1,7 ms
- Plage de courant de chargement à démarrage progressif de 0,75 μA à 1,25 μA
- Temps minimal de marche : 115 ns (standard)
- Temps minimal d'arrêt : 125 ns (standard)
- Plages de température de fonctionnement
- Température ambiante : -40 °C à +85 °C
- Jonction de -40 °C à +125 °C
- Sensibilité DES maximale
- Modèle corps humain (HBM) ±2 500 V
- Modèle dispositif chargé (CDM) ±1 500 V
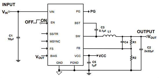
Application standard
Schéma fonctionnel
Publié le: 2023-01-31
| Mis à jour le: 2023-02-06
