Diodes Incorporated Carte d'évaluation AP64352SP-EVM
La carte d'évaluation AP64352SP-EVM de Diodes Incorporated évalue le convertisseur Buck synchrone 3,5 A AP64352. Ce convertisseur est entièrement intégré avec un MOSFET de puissance côté haut de 80 mΩet un MOSFET de puissance côté bas de 500 m Ω pour fournir une conversion CC-CC abaisseuse à haut rendement. La carte AP64352SP-EVM fonctionne sur une plage de température de -40 °C à 85 °C et une plage de tension d'alimentation de 3,8 V à 40 V. Cette carte d'évaluation offre un courant de sortie continu de 3,5 A. La carte AP64352SP-EVM est idéale pour une utilisation dans l'audio domestique, les systèmes de réseau, l'électronique grand public, les communications optiques, les systèmes de mise en réseau et les points de charge à usage général.Caractéristiques
- Évalue le convertisseur Buck synchrone AP64352
- Puissance de sortie continue de 3,5 A
- Plage de températures de fonctionnement : de -40 °C à +85 °C
- Plage de tension d'alimentation de 3,8 V à 40 V
Applications
- Alimentations distribuées par bus de puissance 5 V, 12 V et 24 V
- Gros et petit électroménager
- Systèmes audio domestiques
- Systèmes réseau
- Produits électroniques grand public
- Outils électriques sans fil
- Systèmes de communication optique et de mise en réseau
- Points de charge universel
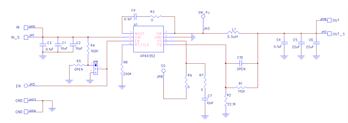
Diagramme schématique
Publié le: 2020-02-11
| Mis à jour le: 2024-07-24
