Diodes Incorporated Carte d'évaluation AP64351SP-EVM
La carte d'évaluation AP64351SP-EVM de Diodes Incorporated évalue le convertisseur Buck synchrone 3,5 A AP64351. Ces convertisseurs sont entièrement intégrés avec un MOSFET de puissance côté haut de 80 mΩet un MOSFET de puissance côté bas de 50 m Ω pour fournir une conversion CC-CC abaisseuse à haut rendement. La carte AP64351SP-EVM fonctionne sur une plage de température de -40 °C à 125 °C et une plage de tension d'alimentation de 3,8 V à 40 V. Cette carte d'évaluation offre un courant de sortie continu de 3,5 A. La carte AP64351SP-EVM est idéale pour une utilisation dans les écrans LCD, les adaptateurs d'allume-cigare, les chargeurs, l'alimentation USB Type-C, le chargement USB et les systèmes automobiles.Caractéristiques
- Évalue le convertisseur Buck synchrone AP64351
- Puissance de sortie continue de 3,5 A
- Plage de tension d'alimentation de 3,8 V à 40 V
- Plage de température de fonctionnement de -40 °C à 125 °C
Applications
- Système alimenté par bloc-batterie pour les outils électriques sans fil, les appareils électroménagers sans fil, les drones, l'aéromodélisme et le suivi GPS
- Adaptateurs et chargeurs d'allume-cigare
- écran LCD
- Alimentation USB Type-C™ et charge USB
- Alimentations électriques distribuées industrielles et médicales
- Système de communication optique et de mise en réseau
- Systèmes automobiles
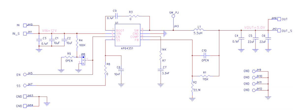
Diagramme schématique
Publié le: 2020-02-11
| Mis à jour le: 2024-07-24
