Diodes Incorporated Pilote LED RVB linéaire 36 canaux I2C/SPI AL5887
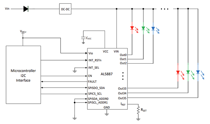
Le pilote LED RVB linéaire à 36 canaux I2C/SPI AL5887 de Diodes Incorporated dispose de 36 canaux de courant LED programmables, chacun avec MLI interne 12 bits pour le contrôle de la couleur/luminosité. L'AL5887 est idéal pour 12 applications d’éclairage de module LED RVB avec trois bancs programmables (A, B et C) pour le contrôle logiciel de chaque couleur. Une résistance externe définit le courant de sortie global de l'ensemble des 36 canaux. Chaque courant de canal configure numériquement jusqu'à 70 mA dans le cadre des limites thermiques du boîtier. L'AL5887 est disponible en boîtier W-QFN6060-52/SWP (Type A1) de 6 mm x 6 mm avec un fonctionnement sur une plage de température ambiante de -40 °C à +85 °C.Les caractéristiques sont contrôlées via une interface numérique SPI/I2C à l’aide d’une broche dédiée INT_SEL pour sélectionner l’un des protocoles. L'AL5887 fournit un générateur MLI 12 bits 30 kHz pour chaque canal et registres de mélange de couleurs indépendant du canal/module et de contrôle de la luminosité. Les registres activent des effets LED éclatants à zéro bruit audible. L'AL5887 de Diodes Incorporated offre un mode d'économie d'énergie IQ à arrêt ultra-faible et une programmation logicielle facile.
Caractéristiques
- Plage d'entrée de 2,7 V à 5,5 V
- 36 dissipateurs de courant LED de précision
- Tension maximum des broches de sortie : 5,5 V
- Jusqu'à 70 mA de courant par canal (maximum)
- Précision de courant dispositif-à-dispositif < 2 % de 7 mA à 70 mA
- Précision de courant canal-à-canal < 3,5 % de 1 mA à 7 mA
- Générateur MLI 12 bits (4 096 pas), 30 kHz intégré pour chaque canal
- Déphasage MLI
- Gradation de courant global 6 bits
- Registre de mélange de couleurs indépendant par canal
- Registre de réglage de la luminosité indépendant par module RVB
- Réglage de la luminosité à échelle logarithmique ou linéaire optionnel
- 3 bancs programmables (A, B, C)
- Interface numérique série (I2C/SPI)
- Prend en charge l’interface 400 kHz I2C (par défaut)
- 2 broches d’adresse matérielle externes permettent de connecter jusqu’à 4 dispositifs (I2C uniquement)
- Interface numérique compatible SPI 2 MHz (broche INT_SEL = HIGH)
- L'adresse esclave de diffusion permet de configurer plusieurs dispositifs simultanément
- L'incrément automatique permet d'écrire ou de lire des registres consécutifs au cours d'une seule transmission
- Statut de diagnostic et de protection lu via une interface numérique
- Broche FAULT à drain ouvert pour indication de défaut
- Détection de circuit ouvert/court-circuit de canal LED individuel
- Avertissement de pré-UVLO et verrouillage de sous-tension (UVLO)
- Protection contre la surchauffe (OTP) avec avertissement pré-OTP
- Indicateur POR numérique
- Masquage de défaut de canal individuel
- Courant de repos ultra-faible
- 1 μA maximum pour le mode d’arrêt quand EN Low > 25 ms
- 15 μA maximum pour le mode d’économie d’énergie quand EN High et toutes les LED éteintes pendant > 30 ms
- Boîtier 6 mm x 6 mm W-QFN6060-52/SWP (type A1)
- Sans plomb et conforme à la directive RoHS
- Sans halogèned ni antimoine (dispositif vert)
Applications
- Appareils électroménagers intelligents
- Haut-parleurs intelligents
- Sonnettes vidéo
- Serrures électriques intelligentes
- Détecteurs de fumée
- Routeurs intelligents
- Décodeurs
- Éclairage LED RVB
- Éclairage architectural
- Éclairage LED industriel
- Appareils portables et wearables
Schéma d'application standard
Vidéos
Publié le: 2023-01-26
| Mis à jour le: 2023-12-06
