Diodes Incorporated Pilote LED linéaire à 18 canaux AL58818Q
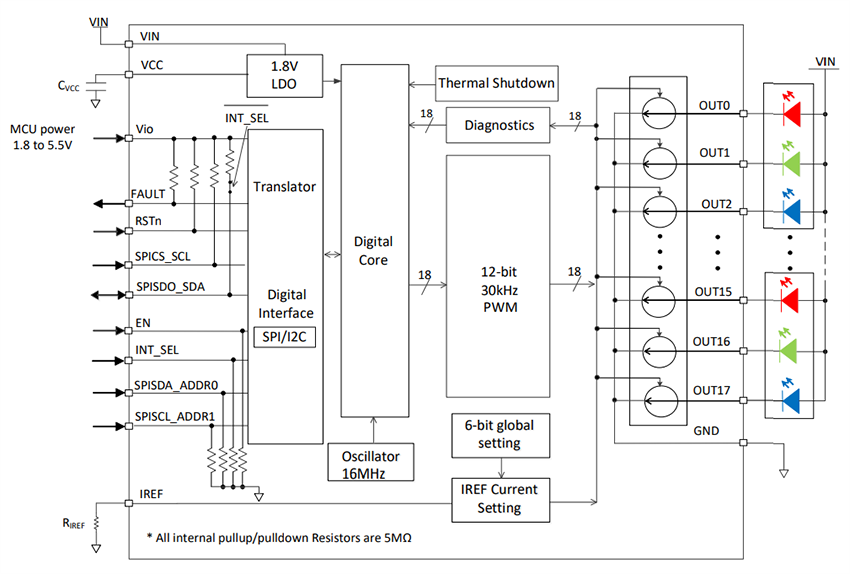
Le pilote LED linéaire à 18 canaux AL58818Q de Diodes Incorporated comprend 18 canaux de courant LED programmables, chacun avec une modulation de largeur d’impulsion (MLI) interne de 12 bits et une graduation de courant globale de 6 bits pour le réglage de la luminosité et la couleur via une interface numérique SPI ou I2C. L'AL58818Q est idéal pour jusqu'à six modules d'éclairage LED RVB avec trois banques programmables (A, B, C) pour le contrôle logiciel de chaque couleur ou 18 LED monochromes avec graduation indépendante pour chaque canal. Une résistance externe peut installer le courant de sortie global de l'ensemble des 18 canaux. Le courant de chaque canal peut être configuré numériquement jusqu'à la limite thermique du boîtier. Le dispositif qualifié AEC-Q100 (Grade 1) fonctionne dans une plage de température ambiante de -40 °C à +125 °C et est disponible dans un boîtier W-QFN5050-40/SWP (Type A1) MSL niveau 1.Les caractéristiques de l’AL58818Q sont contrôlées via l’interface numérique SPI/I2C. Utilisation d’une broche dédiée INT_SEL pour sélectionner les protocoles d’interface série SPI/I2C. L'AL58818Q de Diodes Inc. propose un générateur à MLI interne 12 bits 30 kHz interne pour chaque canal, ainsi que des registres de réglage de la luminosité et de mélange de couleurs indépendants du canal/module. Ces caractéristiques permettent un délai décalé de déphasage de MLI pour obtenir des effets LED vifs sans bruit audible et répondre aux exigences CEM CISPR 25 classe 5. Les utilisateurs bénéficient du mode d'économie d'énergie à IQ d'arrêt ultra-faible du dispositif et de la programmation logicielle facile.
Caractéristiques
- Plage de tension d'entrée de 2,7 V à 5,5 V
- 18 dissipateurs de courant LED de précision
- Tension maximale des broches de sortie : 5,5 V
- Courant de 70 mA par canal
- Registre MLI 12 bits avec générateur MLI interne de 30 kHz
- Déphasage MLI
- Graduation de courant globale de 6 bits
- Registres de mélange des couleurs indépendants
- Registres de réglage de la luminosité indépendants
- Réglage de la luminosité sur une échelle logarithmique ou linéaire
- 3 banques programmables (A, B, C)
- Faible chute de tension VSAT de 200 mV standard à 70 mA
- Interface numérique I2C ou SPI sélectionnable en matériel, prend en charge l’interface I2C de 400 kHz et SPI de 4 MHz
- Arrêt en mode veille ultra-faible de 1 μA, 15 μA maximum en mode d'économie d'énergie
- Diagnostic et protections
- Broche d'indication de défaut à drain ouvert et registres
- Registres de masque de défaut individuels pour chaque canal
- Protection contre la surchauffe (OTP) avec avertissement pré-OTP
- Détection d'ouverture/court-circuit et de sous-tension des LED
- Boîtier W-QFN5050-40/SWP (Type A1) de 5 mm x 5 mm
- Niveau de sensibilité à l'humidité (MSL) 1
- Convient aux applications automobiles nécessitant un contrôle de modification spécifique ; conformité à la norme AEC-Q100 (Grade 1), capacité PPHP et fabrication dans des installations certifiées IATF16949
- Dispositif écologique sans plomb, sans halogène ni antimoine et conforme à la directive RoHS
Applications
- Éclairage extérieur et intérieur automobile
- Écrans d’infodivertissement
- Voyants d'état automobile
- Panneaux tactiles et affichage LCD
Caractéristiques techniques
- Courant de sortie OUTx maximum de 160 mA
- Tension d'entrée de fonctionnement de 1,8 V à 5,5 V sur le rail du microcontrôleur (MCU)
- Alimentation électrique
- Tension de sortie LDO interne de 1,74 V à 1,86 V
- Courant d'alimentation
- 6 µA maximum à l'arrêt
- 33 µA maximum en mode veille
- 9 mA maximum en mode normal
- 33 µA maximum en mode économie d'énergie
- UVLO VIN
- Plage croissante de 2 V à 2,5 V
- Plage décroissante de 1,8 V à 2,4 V
- Tension de sortie de la broche IREF de 0,68 V à 0,72 V
- Dissipateur de courant
- Plage de courant de sortie global maximum de 7 mA à 70 mA
- Limite du courant interne maximale de 155 mA
- Courant de fuite LEDx maximal de 2,2 µA
- Tension de saturation de sortie maximale de 0,6 V
- Plage de seuil ouvert LED de 0,10 V à 0,35 V
- Plage de seuil court LED de 0,31 V à 0,9 V
- Graduation de groupe MLI
- Gamme de fréquences MLI de 25 kHz à 36 kHz
- Fréquence d'oscillateur interne standard de 15,5 MHz
- Temps de montée IOUTx standard de 8 ns
- Protection
- Seuil d'alerte préthermique standard de +145 °C
- Hystérésis d'alerte préthermique standard de +20 °C
- Température thermique de coupure standard de +165 °C
- Hystérésis de la température de coupure thermique standard de +20 °C
- Résistance thermique
- 36,0 °C/W jonction à température ambiante
- 18,7 °C/W jonction à boîtier (haut)
- 1,1 °C/W jonction à boîtier (bas)
- 6,4 °C/W jonction à carte
- Paramètres de caractérisation
- 0,2 °C/W jonction à haut
- 6,4 °C/W jonction à carte
- DES nominales
- 2 000 V maximum en modèle de corps humain (HBM)
- 1 000 V maximum en modèle d'appareil chargé (CDM)
- Plage de température ambiante de fonctionnement : de -40 °C à +125 °C
Ressources
- Annonce de produit : Les pilotes LED linéaires programmables I2C/SPI à 18/12 canaux avec mélange numérique des couleurs simplifient l’éclairage dynamique automobile.
Schéma fonctionnel
Publié le: 2025-09-12
| Mis à jour le: 2025-10-09
