Diodes Incorporated Pilote LED automobile à 16 canaux AL58263Q
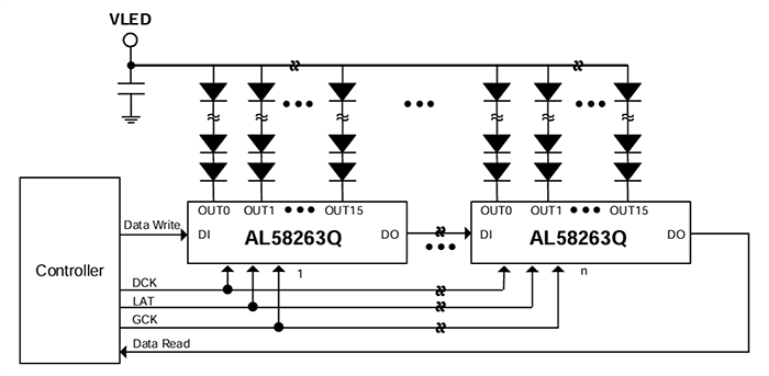
Le pilote LED automobile à 16 canaux AL58263Q de Diodes Incorporated est un pilote LED à courant constant de classe 1 AEC-Q100 avec une modulation de densité d’impulsion adaptative (APDM) à échelle de gris 16 bits. La MLI APDM prend en charge les diagnostics d’erreur, les fonctions d’économie d’énergie et le contrôle du gain de courant. Cette technologie APDM distinctive réduit également la distorsion IOUT non idéale due aux réponses transitoires non symétriques et améliore le taux de rafraîchissement en séparant efficacement la forme d’onde de trame. L'AL58263Q de Diodes Incorporated est disponible en boîtier W-QFN4040-24/SWP (type A1) à flanc mouillable et spécifié pour la plage de température ambiante de -40 °C à +125 °C.L'AL58263Q fonctionne sur une plage de tension d’entrée de 3 V à 5,0 V, une tension de canal de sortie de 15 V, une entrée rapide DCK de 25 MHz et fournit jusqu’à 55 mA de courant de haute précision à chaque chaîne de LED. Le courant de sortie moyen de chaque canal est programmable indépendamment via une interface numérique individuellement. Une résistance de détection externe ou un registre de contrôle du courant global 6 bits pourrait définir tous les courants de sortie du canal. Le pilote LED AL58263Q dispose d’une détection/d'un diagnostic intégrés et d’une protection contre les courts-circuits/circuits ouverts pour la LED, comprenant la détection d’erreur. Ces résultats d’erreur sont stockés dans le registre afin que le MCU puisse les lire.
Caractéristiques
- Certifié AEC-Q100 classe 1, compatible PPAP et fabriqué dans des installations certifiées IATF16949
- Tension d’entrée VDD de 3 V à 5,0 V
- Plage de courant de sortie
- 2 mA à 55 mA/5,0 V
- Régulation de courant de sortie standard ±0,1 %
- Sortie de dissipation de courant constant à 16 canaux
- Résolution de l’échelle de gris de 16 bits
- Contrôle du courant global 6 bits
- Canaux de sortie nominale 15V
- Précision de courant LED standard ±1,5 % entre les canaux
- Précision de courant LED standard ±3 % entre les puces
- Délai de sortie décalé pour réduction EMI
- Capacité en cascade (1440 dispositifs maximum)
- Détection et diagnostic
- La détection d’erreur comprend les LED ouvertes, les courts-circuits LED, les fuites de port de sortie, les courts-circuits de sortie vers GND, les courts-circuits de sortie vers l’alimentation et les courts-circuits REXT vers GND
- Avertissement de pré-surchauffe
- Interface série 4 fils +1 (LAT, DI, DO, DCK+GCK)
- Fréquence d’horloge de données (DCK) 25 MHz pour le transfert de données
- Horloge à double front de gris jusqu’à 16 MHz (GCK)
- Minuteur watchdog GCK externe
- Zéro données et mode veille pour l'économie d’énergie
- Options de registre programmables
- Modulation MLI régulière ou de densité d’impulsion adaptative
- Horloge MLI interne intégrée ou horloge externe à échelle de gris (GCK)
- Sélection de tension de seuil de détection de court-circuit (2 V/3 V/4 V/4,5 V)
- Plage de température ambiante de -40 °C à +125 °C
- Boîtier W-QFN4040-24/SWP (type A1) à flanc mouillable
- Entièrement sans plomb et conforme à la directive RoHS
- Composant « vert » sans halogène ni antimoine
Applications
- Consoles automobiles
- Affichages de gradation locaux automobiles
- Plaques avant et arrière automobiles
- Écrans de pile centrale automobile
- Éclairage intérieur automobile et RVB
- Panneaux de commande CVC automobiles
- Indicateurs de changement de vitesse automobile
- Éclairage extérieur automobile :
Application standard
Schéma fonctionnel
