Diodes Incorporated Pilote LED de variation PWM à échelle de gris AL58263
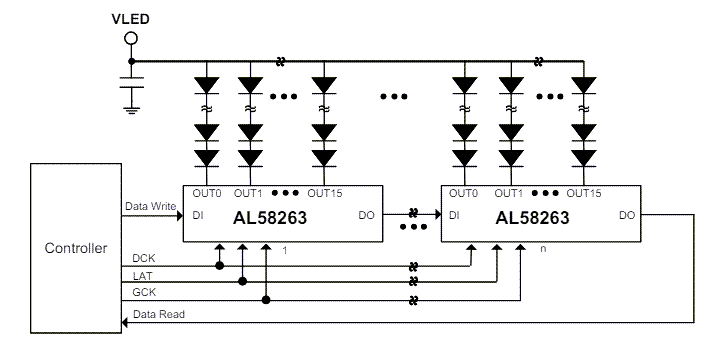
Le pilote LED de variation PWM à échelle de gris AL58263 de Diodes Incorporated offre une modulation adaptative de densité d’impulsion (APDM) à courant constant et 16 canaux. La technologie APDM réduit la distorsion IOUT non idéale en raison des réponses transitoires non symétriques et améliore le taux de rafraîchissement en séparant efficacement la forme d’onde de trame. Le AL58263 prend en charge les diagnostics d’erreur, le contrôle du gain de courant et la fonctionnalité d’économie d’énergie.Le AL58263 de diodes Inc fonctionne sur une plage de tension d’entrée de 3 V à 5,5 V, une tension de canal de sortie 15 V et une entrée DCK rapide 25 MHz. Le dispositif fournit jusqu’à 55 mA de courant de haute précision à chaque chaîne de LED. La sortie de courant de chaque canal peut être programmable individuellement via une interface numérique. Une résistance de détection externe et un registre de contrôle du courant global 6 bits peuvent définir le courant de sortie de tous les canaux.
Le AL58263 dispose de diagnostics intégrés et d’une protection LED ouverte/court-circuit, y compris la détection des erreurs. Ces résultats d’erreur sont stockés dans un registre que le MCU doit lire.
Le AL58263 est conçu en boîtier TSSOP-24EP (type A1-B) et est spécifié pour une utilisation dans la plage de température ambiante -40 °C à +85 °C.
Caractéristiques
- Tension d’entrée VDD de 3 V à 5,5 V
- Plage de courant de sortie
- 2 mA à 55mA/5V, 2 mA à 35mA/3.3V
- Capacité de régulation du courant de sortie ±0,1 %
- Contrôle du courant global 6 bits de 12,5 % à 200 %
- 16 canaux de sortie de dissipateur de courant constant
- résolution de l’échelle de gris 16 bits avec impulsion adaptative
- contrôle de modulation de Densité
- canaux de sortie 15V-rated pour chaînes de LED longues
- Réponse transitoire rapide - prend en charge une horloge en niveaux de gris externe avec un double bord jusqu'à 16 MHz
- Précision du courant LED de ±1,5 % (std) entre les canaux
- ±3 % (std) de précision du courant LED entre les puces
- Forme d’onde sans brouillage pour les applications LED haute puissance
- Sélection de réinitialisation compteur échelle de gris
- Sélection de synchronisation des données à échelle de gris
- Totalement sans plomb et conforme à la directive RoHS
- composant « vert » sans Halogène ni antimoine
- Diagnostic et protections
- La détection d’erreur comprend les LED ouvertes, les courts-circuits LED, les fuites de port de sortie, les courts-circuits de sortie vers GND, les courts-circuits de sortie vers l’alimentation et les courts-circuits REXT vers GND
- LED de détection d’erreur allumées à 0,1 mA pour éviter tout scintillement
- Sélection de tension de seuil de détection de court-circuit (2 V/3 V/4 V/4,5 V)
- Mode veille et 0-data pour réduire le courant d'alimentation.
- Avertissement de pré-surchauffe
- interface série 4-Wire (LAT, DI, DO, DCK)
- fréquence d’horloge 25 MHz pour le transfert de données
- Horloge à échelle de gris de réduction EMI
- Capacité en cascade (1 440 dispositifs Max)
- Watchdog GCK externe
- Délai de sortie décalé pour réduction EMI
Applications
- Écrans vidéo LED intérieurs et extérieurs
- Panneaux à message Variable (VMS)
- Panneaux de signalisation
- Panneau d’affichage extérieur
- Rétro-éclairage LCD
Caractéristiques techniques
- Non qualifié AEC
- Conformité Standard (seule l’automobile prend en charge PPAP)
- Topologie de pilote LED linéaire
- Tension d’alimentation minimale 3 V
- Tension d’alimentation maximale 5,5 V
- VOUT maximale de 15 V
- 16 nombre de canaux
- Courant de sortie 55 mA
- Courant de sortie max. de 55 mA max. par canal
- 1,5 % de précision
- Gradation MLI par registre interne 16 bits
- Plage de température de -40 °C à 85 °C
Schéma d'application
