Diodes Incorporated LM290xAQ Automotive Compliant Comparators
Diodes Incorporated LM290xAQ Automotive Compliant Differential Comparators consist of four (LM2901AQ) or two (LM2903AQ) independent precision voltage comparators with extremely low input offset voltage specifications. These devices operate from a single power supply over a wide range of voltages. Operation from split power supplies is possible as well. The LM290xAQ series from Diodes Incorporated offers a low power supply current regardless of the magnitude of the power supply voltage. LM290xAQ series comparators directly interface with TTL and CMOS. The LM2901AQ quad devices are available in SO-14 and TSSOP-14, while LM2903AQ dual devices come in SO-8, MSOP-8, and TSSOP-8; all in industry-standard pinouts. All models use a green mold compound and have been qualified to AEC-Q100 Grade 1 and are automotive compliant, supporting PPAPs.Features
- Wide power supply range
- 2V to 36V single supply range
- ±1.0V to ±18V dual supply range
- Low 0.9mA supply current
- 0.6mA (LM2903Q)
- 0.9mA (LM2901Q)
- 25nA input bias current
- ±5nA input offset current
- Typical offset voltage
- 2mV non-A device
- 1mV A device
- Common-mode input voltage range includes ground
- Differential input voltage range equal to the power supply voltage
- Low output saturation voltage
- 200mV at 4mA
- 100mV at 4mA
- Output voltage compatible with TTL, MOS, and CMOS
- Qualified to AEC-Q100 Grade 1
- PPAP capable
Applications
- Automotive
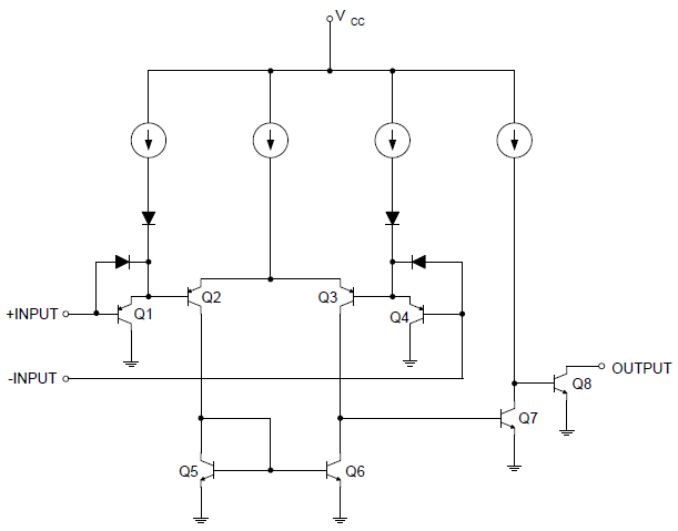
Functional Block Diagram
Publié le: 2016-03-30
| Mis à jour le: 2022-03-11
