Diodes Incorporated Pilote de LED automobile AL5873Q
Le pilote de LED automobile AL5873Q de Diodes Incorporated est un pilote linéaire à 3 canaux avec gradation PWM (Modulation de largeur d'impulsion) et contrôle de gradation analogique. Chacun des trois canaux peut piloter jusqu'à 250 mA avec une puissance combinée de pilotage jusqu'à 750 mA. L'intensité de chaque canal est définie par deux résistances de référence connectées aux broches REF1 et REF2. L'AL5873Q régule le courant LED pour chaque canal, avec une précision de ±4 %, avec d'excellentes performances de graduation. L'AL5873Q passe en mode veille pour économiser l'énergie si aucun signal PWM n'est détecté.L'AL5873Q surveille la température et réduit le courant des LED si leur température de jonction dépasse le seuil de température. Pour une meilleure robustesse du système, l'AL5783Q est doté d'un verrouillage de sous-tension d'entrée (UVLO), d'une protection contre l'ouverture/les court-circuits des LED et d'une protection contre la surchauffe (OTP), qui sont signalés par une broche d'indicateur de défaut (FAULTB).
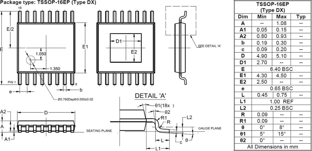
Le pilote de LED AL5873Q de Diodes Incorporated est disponible dans un boîtier TSSOP-16EP (Type DX) et est certifié AEC-Q100 (Classe 1) pour une utilisation dans les applications automobiles.
Caractéristiques
- Certifié AEC-Q100, compatible PPAP et fabriqué dans des installations certifiées IATF 16949
- Large plage de tension d'entrée de 5 V à 55 V
- Chaque canal peut fournir jusqu'à 250 mA de courant
- Courant des feux de stop/arrière défini indépendamment via 2 résistances
- Bascule automatiquement la puissance des LED entre les fonctions des feux de stop/arrière via l'entrée FULL
- Gradation PWM via l'entrée PWM et l'alimentation
- Boîtier TSSOP-16EP (Type DX)
- Totalement sans plomb et conforme à la directive RoHS
- Composant « vert » sans halogène ni antimoine
- Gradation analogique via l'entrée ADIM
- Entre et sort automatiquement du mode veille sans la broche d'activation
- Protections internes
- Verrouillage de sous-tension d'entrée (UVLO)
- Protection contre les courts-circuits de la guirlande de LED
- Protection contre l'ouverture de la guirlande de LED
- Protection contre la surchauffe (OTP)
- Repli thermique si la température de la puce dépasse le seuil
- Rapport de défaut : UVLO, OTP, LED ouverte et LED en court-circuit
Applications
- Éclairage intérieur à LED pour l'automobile
- Feux arrières
- Feux arrières et stop
- Clignotants arrières
- Feux de stationnement
- Antibrouillard
- Feux de recul
Schéma fonctionnel
Circuit d'application standard
Profil de boîtier
Publié le: 2021-03-24
| Mis à jour le: 2022-11-28
