DFRobot DFR0827 PiTray Mini
DFRobot DFR0827 PiTray Mini is a model B like carrier board for building cluster with Raspberry Pi Computed Module 4 (CM4). This PiTray mini provides a neat and budget solution for CM4 applications with advantages over Raspberry Pi 4B in industrial applications. The DFR0827 PiTray mini acts as a good starter kit for CM4. The CM4 provides models without wifi and Bluetooth® chip. This PiTray mini does not include DSI, CSI sockets, audio jack, dual micro HDMI, or USB3.0 hub to fit CM4 on a business card size carrier.Features
- Compatible with all variants of CM4, no matter whether it uses onboard eMMC or micro SD card
- Capable to flash operation system image to eMMC on CM4 with regular approaches as same as the official CMIO board, no extra tools required
- Same dimensions and mounting holes compared to Model B Raspberry Pi, such as 3B/3B+/4B
- 5V input power
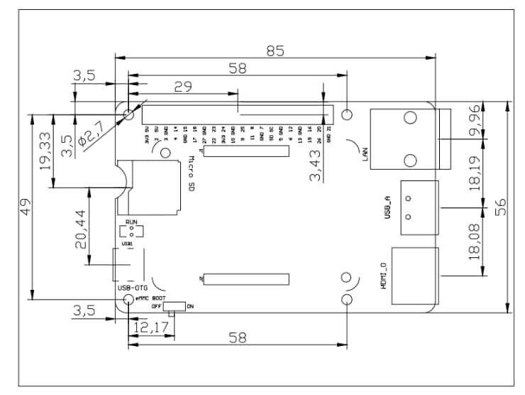
- 85mm x 56mm dimensions
Board Overview
Mechanical Drawing
Additional Resource
Videos
Publié le: 2021-04-05
| Mis à jour le: 2023-01-31
