Cosel PCA1000F Enclosed Type AC-DC Power Supplies
Cosel PCA1000F Enclosed Type AC-DC Power Supplies are low-profile power supplies that provide constant current regulation. These power supplies operate from 85VAC to 264VAC universal input voltage range. The PCA1000F power supplies provide an output voltage that decreases to almost 0V. These power supplies feature various alarms, parallel operation/N+1 parallel redundancy operation, and 2MOPP medical isolation grade. The Cosel PCA1000F power supplies provide 12V and 0.1A AUX output. These power supplies are ideally suited for medical electrical equipment.Features
- Low-profile
- 2MOPP medical isolation grade
- Constant current regulation
- Output voltage varied to near 0V
- Provide various alarms
- Parallel operation or N+1 parallel redundancy operation possible
Specifications
- 85VAC to 264VAC universal input voltage range
- ANSI/AAMI ES60601-1, EN60601-1 3rd, and IEC60601-1-2 4th Ed. certified for medical electric equipment
- 12V and 0.1A AUX output
- 50Hz or 60Hz frequency
- 0.5mA leakage current
- 89mm x 41mm x 152mm dimensions
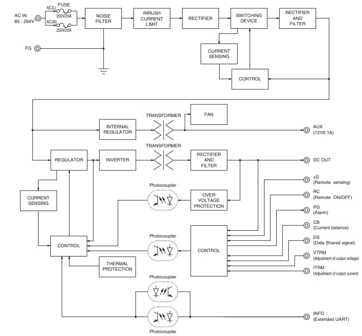
PCA1000F Block Diagram
Publié le: 2019-05-16
| Mis à jour le: 2024-04-23
