Inducteurs RF et bobines ajustables Coilcraft
Bobines ajustables et inducteurs
Inducteurs RF et bobines ajustables Coilcraft

Commander des inducteurs RF et bobines ajustables Coilcraft Afficher la liste des produits

Inducteurs RF et bobines ajustables Coilcraft

Coilcraft offre une large gamme de bobines et inducteurs RF fixes et ajustables. Les bobinages finement moulés assurent un pas d'enroulement constant et une relation performante à la carte de circuits imprimés. Chaque série est conforme à la directive RoHS.

Inducteurs RF fixes, série 132

Les inducteurs RF Coilcraft de la série 132 sont des bobines RF fixes dont la construction garantit un pas d'enroulement constant, une stabilité à long terme et une tolérance d'inductance étroite ±5 %. Les inducteurs à facteur Q élevé sont disponibles dans les valeurs standard allant de 14,0 nH à 709 nH.

  • Choix parmi sept valeurs d'inductance allant de 21,0 à 709 nH
  • Les pièces à facteur Q élevé ont une tolérance d'inductance de 5 %
  • Le moulage de précision garantit un pas d'enroulement constant et une stabilité à long terme
  • Conforme RoHS. Bornes en étain-argent sur cuivre


Illustration
Illustration série 132
 Inducteurs RF fixes 132
Commander des inducteurs RF et bobines ajustables Coilcraft Voir la liste des produits
PDF Voir la fiche technique



Tableau série 132

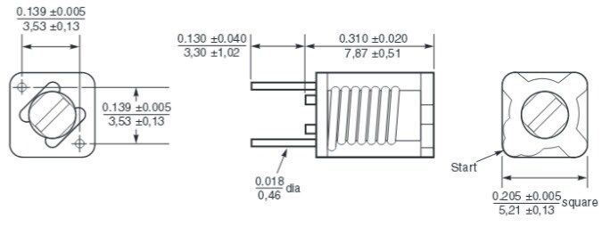
Bobines ajustables 10 mm « Unicoil », séries 142, 143, 144

Les bobines ajustables Coilcraft sont en plastique finement moulé pour garantir un pas d'enroulement constant et une relation performante à la carte de circuits imprimés (PCB). Les bobines proposent des valeurs d'inductance standard de 0,05 µH à 1,5 µH. Les composants de la série 144 sont également disponibles avec un branchement permettant de répondre aux exigences spécifiques. Le réglage se fait au moyen d'un noyau en poudre de fer fileté avec une douille hexagonale pour un ajustement positif facile. Les boîtes blindées en laiton étamé avec pattes à souder sont en option. Elles peuvent être commandées sans noyaux pour une utilisation comme inducteurs fixes.

  • Les bobinages sont finement moulés en plastique pour offrir une stabilité mécanique et électrique
  • Le réglage se fait au moyen d'un noyau en poudre de fer fileté avec une douille hexagonale
  • Les boîtes blindées en laiton étamé avec pattes à souder en option assurent un blindage intégral
  • Extrêmement économique, y compris en petites quantités

 

 
Dimensions 142/143/144

Dimensions 142/143/144

Inducteurs RF ajustables, série 148

Les inducteurs RF ajustables Coilcraft de la série 148 ont une hauteur totale de 0,76 cm ce qui en fait une solution idéale pour les applications où les cartes de circuits imprimés à profil mince sont essentielles. Les bobinages sont finement moulés en plastique pour garantir un pas d'enroulement constant et une relation performante à la carte de circuits imprimés. Le réglage se fait au moyen d'un noyau en poudre de carbonyle fileté. 

  • 7,6 mm de hauteur est idéal pour les applications à profil mince
  • Les bobinages sont finement moulés en plastique pour offrir une stabilité mécanique et électrique
  • Noyau en poudre de carbonyle fileté J avec support à fente
  • Extrêmement économique, y compris en petites quantités
  • Conforme RoHS. Bornes en étain-argent sur cuivre

  • Illustration série 148

    Illustration série 148
Inducteurs série 148
Commander des inducteurs RF et bobines ajustables Coilcraft Voir la liste des produits
PDF Voir la fiche technique



Inducteurs ajustables 5 mm « Unicoil », séries 164, 165

Les inducteurs ajustablesCoilcraft des séries 164 et 165 offrent la compacité d'une bobine de 5 mm et la fiabilité à faible dérive d'une bobine moulée intégrée, avec des valeurs d'inductance de 9 à plus de 280 nH. Les boîtes blindées en laiton étamé assurent un blindage intégral. Elles peuvent être commandées sans noyaux pour une utilisation comme inducteurs fixes. Les inducteurs Coilcraft des séries 164 et 165 ont des bornes étain-argent sur cuivre conformes à la directive RoHS et supportent une température ambiante de -40 ºC à +85 ºC.

  • Bobine compacte de 5 mm et fiabilité à faible dérive d'une bobine moulée intégrée
  • Les bobinages sont finement moulés en plastique pour offrir une stabilité mécanique et électrique
  • Le réglage se fait au moyen d'un noyau en aluminium
  • Les boîtes blindées en laiton étamé avec pattes à souder en option assurent un blindage intégral
Inducteurs séries 164/165 
Commander des inducteurs RF et bobines ajustables Coilcraft Voir la liste des produits
PDF Voir la fiche technique
Modèles non blindés
164/164, non blindés
Modèles blindés
164/165, blindés


eNews
  • Coilcraft
Publié le: 2017-03-17 | Mis à jour le: 2022-03-11