Broadcom Émetteur-récepteur optique sans fil AFBR-FS13B25
L'émetteur-récepteur optique sans fil AFBR-FS13B25 de Broadcom communique les données dans un espace libre à un débit pouvant atteindre 1,25 Gbit/s, permettant une communication sans connecteur/sans câble dans une variété d'applications. Cet émetteur-récepteur dispose d'une communication bidirectionnelle en duplex intégral avec une portée de distance de 30 mm à 60 mm, ainsi qu'un petit format qui permet une conception de système compacte. L'émetteur-récepteur AFBR-FS13B25 conserve une fonctionnalité complète sur une rotation à 360° autour de l'axe optique, ce qui réduit la complexité de l'alignement au niveau du système. Dans l'idéal, cet émetteur-récepteur sans fil est utilisé dans les applications de communication optique sans fil, de transmission de données optiques rotatives et de communication carte-à-carte.Caractéristiques
- Taux de transfert des données jusqu’à 1,25 Gbit/s
- Portée de distance de 30 mm à 60 mm
- Duplex intégral bidirectionnel
- Fonctionnement complet sur rotation à 360°
- Petit facteur de forme
- Longueur d'onde optique nominale 850 nm
- Mono-alimentation de 3,3 V
- Plage de température de fonctionnement : de -10 °C à +85 °C
- Aptitude de brasage CMS
- Produit laser de classe 1
- Conforme RoHS-6
Applications
- Communications optique sans fil
- Communications optique sans fil à travers les fenêtres
- Transmission de données optiques rotatives
- Communication carte-à-carte
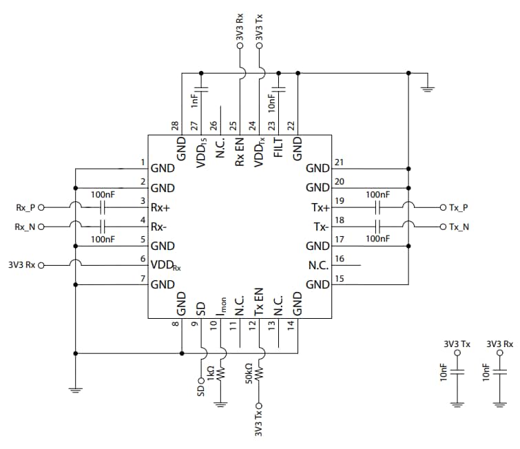
Circuit d'application standard
Schéma de principe
Publié le: 2022-03-15
| Mis à jour le: 2022-03-22
