Broadcom Encodeur magnétique angulaire programmable AEAT-9955
L'encodeur magnétique angulaire programmable de Broadcom AEAT-9955 est un capteur rotatif magnétique angulaire qui fournit une mesure angulaire précise sur une rotation complète de 360°. L'AEAT-9955 intègre des éléments de capteur Hall avec un traitement de signal analogique et numérique complexe dans un seul composant. Un simple aimant bipolaire génère le champ magnétique nécessaire en le faisant tourner perpendiculairement. Les configurations de capteur de champ magnétique larges permettent des modes sur l'axe (extrémité de l'arbre) ou hors axe (côté de l'arbre, axial et radial) dans les applications.L'AEAT-9955 est une solution polyvalente qui prend en charge un large éventail d’applications avec une architecture robuste pour mesurer et fournir des signaux absolus et incrémentaux. La mesure d'angle absolu indique instantanément la position angulaire de l'aimant avec une résolution sélectionnable et reprogrammable de 10 à 18 bits. Une fois sélectionnées, ses données de positionnement sont ensuite représentées numériquement pour être évaluées au moyen d'un protocole de communication standard SSI (parité) et SPI (avec CRC et option de parité). Le cas échéant, les utilisateurs peuvent également choisir de recevoir sa position angulaire absolue dans les signaux de sortie codés PWM. Les positions incrémentales sont indiquées sur les signaux ABI et UVW avec une large résolution configurable par l'utilisateur de 1 CPR et jusqu'à 20 000 CPR de signaux ABI et des paires de pôles de 1 à 32 paires de pôles (2 à 64 pôles) pour les signaux de commutation UVW.
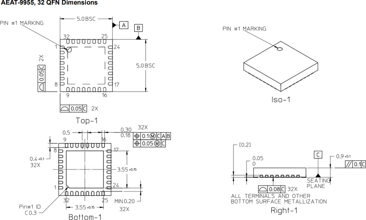
Le sélecteur magnétique angulaire programmable AEAT-9955 de Broadcom est proposé en boîtier QFN (Quad Flat No-lead) compact de 5 mm x 5 mm avec une plage de température de fonctionnement de -40 ºC à +125 ºC.
Caractéristiques
- Tensions de fonctionnement de 5,0 V et 3,3 V
- Consommation de courant de 300 μA en mode veille
- De 10 à 18 bits programmables de résolution absolue
- Les positions incrémentales sont indiquées sur les signaux ABI et UVW avec un CPR configurable par l'utilisateur de 0 à 20 000 CPR
- UVW à sortie en angle de commutation de 1 pp à 32 pp
- Sortie absolue sur SSI à 2 fils, SSI à 3 fils, SPI à 4 fils et MLI
- Broche de sortie dédiée pour ABI, UVW et interface série
- Broche dédiée pour réinitialisation à zéro et erreur
- Architecture EEPROM pour une configuration utilisateur à plusieurs temps
- Fonction de verrouillage de mémoire 56 bits en option
- Correction automatique de l'angle de non-linéarité intégrale pour une haute précision
- Conforme aux normes ISO26262 ASIL-D et SIL3 avec puce secondaire pour redondance
- Multi-index avec un seul tour
- Sortie à haute impédance pour réseau multi-esclaves
- Plage de température de fonctionnement: -40 °C à +125 °C
- Boîtier QFN-32 de 5 mm x 5 mm
- Conforme à la directive RoHS
Applications
- Moteur CC brushless et moteur pas-à-pas
- Remplacement du résolveur et du potentiomètre
- Automatisation industrielle et robotique
- Machine à coudre industrielle et équipement textile
- Télédétection par laser (LiDAR)
Ressources supplémentaires
Schéma fonctionnel
